Operation CHARM: Car repair manuals for everyone.
Manuals through 2025 now available!

Our trusted friends have launched a new website named LEMON, which has newer manuals. It also contains all the CHARM manuals.

LEMON is the spiritual successor to CHARM, I recommend you try it!

Link: lemon-manuals.la or lemon-manuals.org.ua

(Some people have issue connecting. LEMON is investigating. For now, use Firefox or change your DNS server)

Or, hide this message: temporarily or permanently

Electronic/Powertrain Control Module (ECM/PCM)

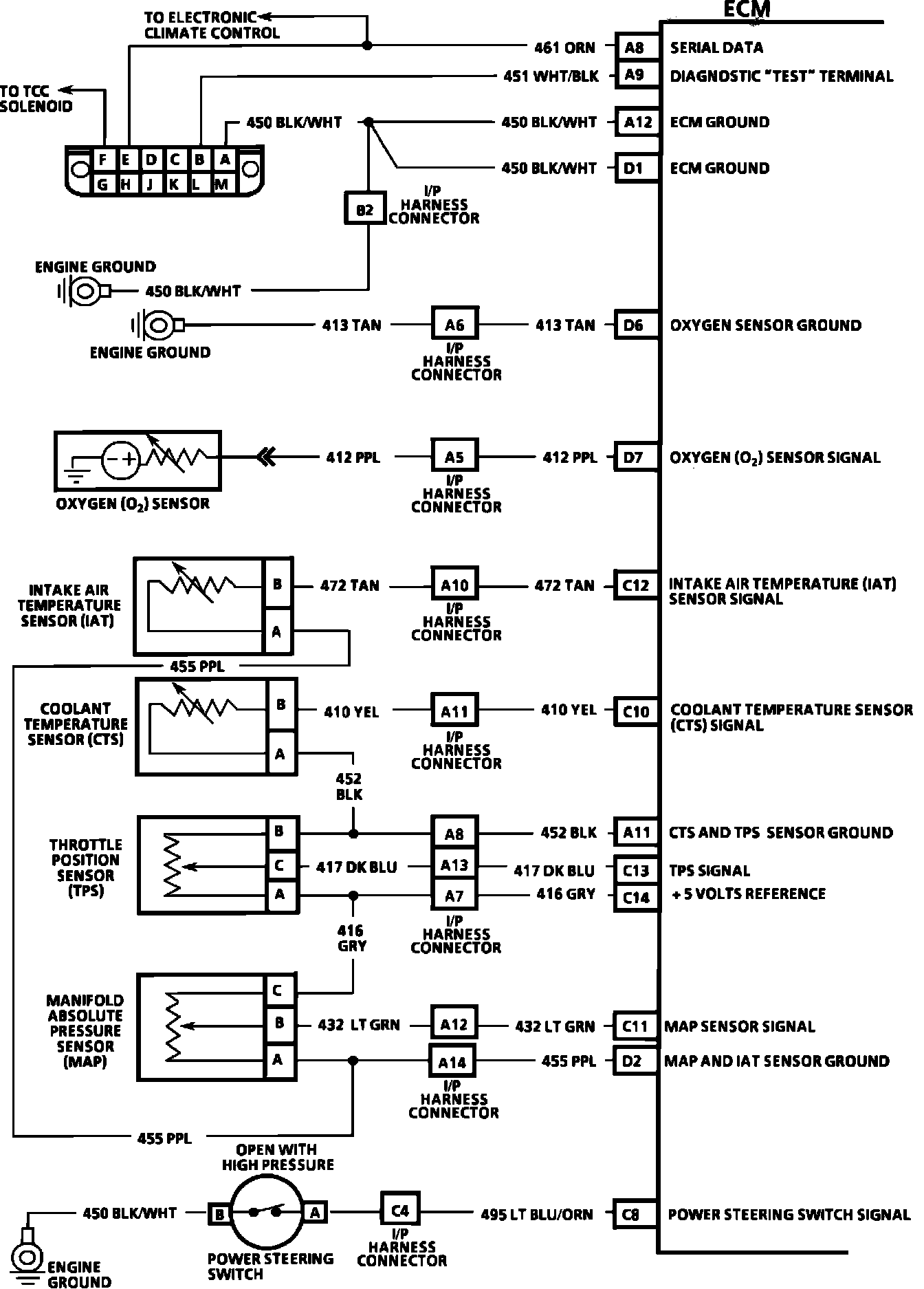
ECM Wiring Diagram (1 Of 4):






A8 = SERIAL DATA
A9 = DIAGNOSTIC TEST TERMINAL
A12 = ECM GROUND
D1 = ECM GROUND
D6 = OXYGEN SENSOR GROUND
D7 = OXYGEN SENSOR SIGNAL
C12 = IAT SENSOR SIGNAL
C10 = COOLANT TEMPERATURE SIGNAL
A11 = CTS, TPS SENSOR GROUND
C13 = TPS SIGNAL
C14 = +5V REFERENCE
C11 = MAP SENSOR SIGNAL
D2 = MAP & IAT SENSOR GROUND
C8 = POWER STEERING SWITCH SIGNAL


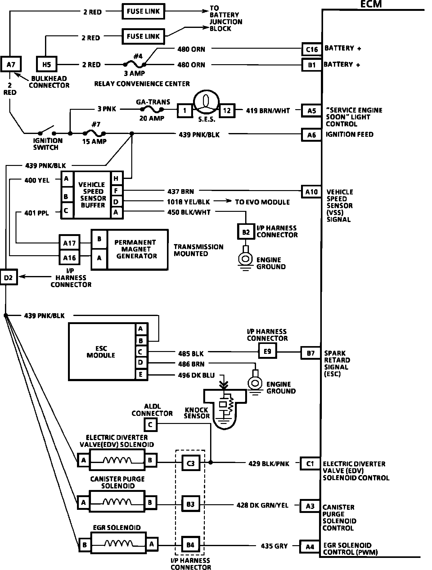
ECM Wiring Diagram (2 Of 4):







C16 = BATTERY +
B1 = BATTERY +
A5 = "SERVICE ENGINE SOON" LIGHT CONTROL
A6 = IGNITION FEED
A10 = VEHICLE SPEED SENSOR (VSS) SIGNAL
B7 = SPARK RETARD SIGNAL (ESC)
C1 = ELECTRIC DIVERTER VALVE (EDV) SOLENOID CONTROL
A3 = CANISTER PURGE SOLENOID CONTROL
A4 = EGR SOLENOID CONTROL (PWM)



ECM Wiring Diagram (3 Of 4):







A1 = FUEL PUMP RELAY DRIVE
B2 = FUEL PUMP SIGNAL MONITOR
D16 = INJECTOR #1 DRIVER
D14 = INJECTOR #2 DRIVER
C7 = FOURTH GEAR SWITCH SIGNAL
A7 = TCC CONTROL
B10 = PARK/NEUTRAL SWITCH SIGNAL



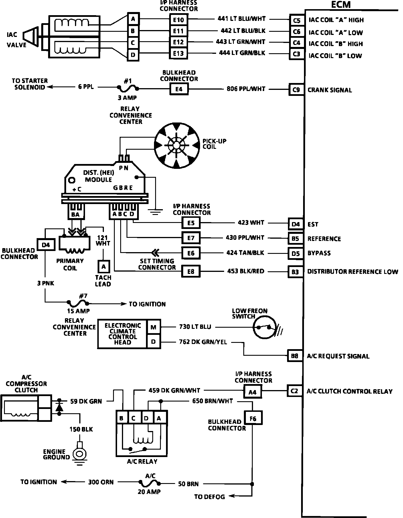
ECM Wiring Diagram (4 of 4):







C5 = IAC COIL "A" HIGH
C6 = IAC COIL "A" LOW
C4 = IAC COIL "B" HIGH
C3 = IAC COIL "B" LOW
C9 = CRANK SIGNAL
D4 = EST
B5 = REFERENCE
D5 = BYPASS
B3 = DISTRIBUTOR REFERENCE LOW
B8 = A/C REQUEST SIGNAL
C2 = A/C CLUTCH CONTROL RELAY