Operation CHARM: Car repair manuals for everyone.
Manuals through 2025 now available!

Our trusted friends have launched a new website named LEMON, which has newer manuals. It also contains all the CHARM manuals.

LEMON is the spiritual successor to CHARM, I recommend you try it!

Link: lemon-manuals.la or lemon-manuals.org.ua

(Some people have issue connecting. LEMON is investigating. For now, use Firefox or change your DNS server)

Or, hide this message: temporarily or permanently

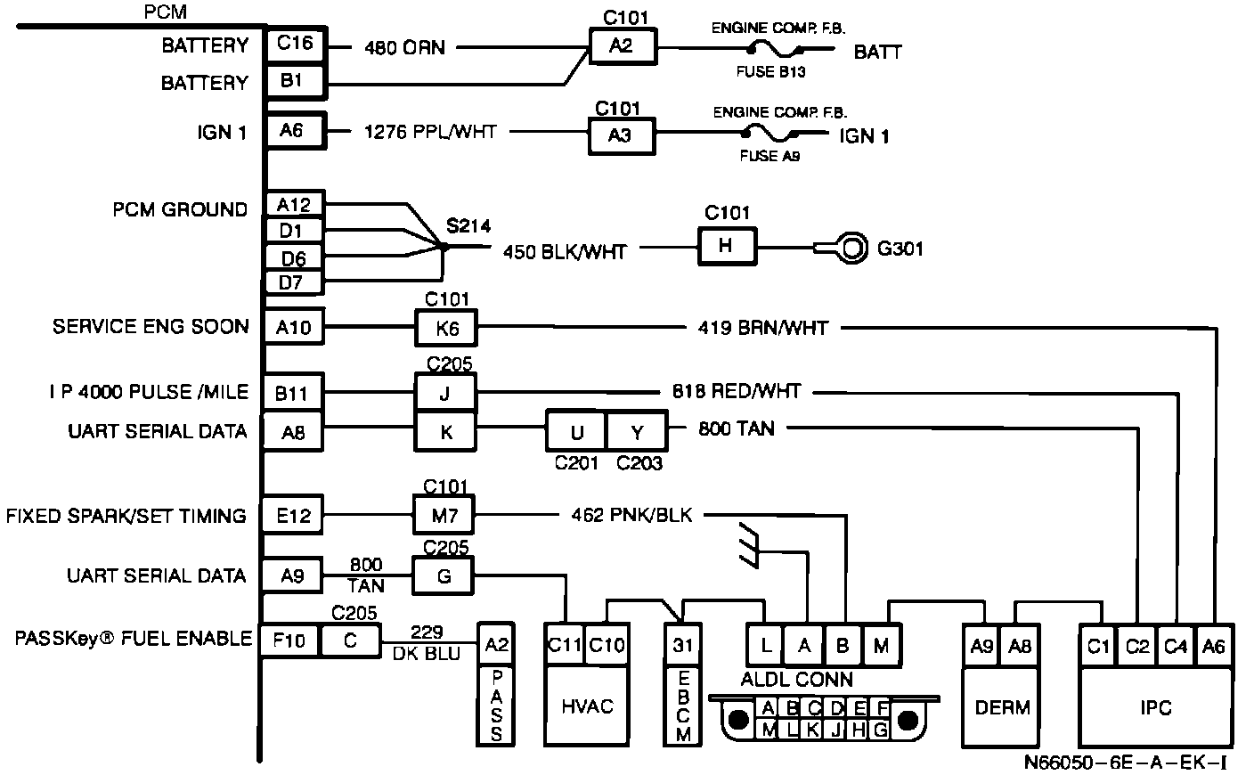
Serial Data

PCM Wiring:






PURPOSE


Serial Data is a single wire line that the Powertrain Control Module (PCM) uses to communicate and share information with other systems.


OPERATION

A Serial Data line is part of the ALDL connector and is used for hookup of test equipment.


The use of the communication line allows for the separate controlers to share information. Examples of this may be gage information sent from the PCM to the Instrument Panel Controller (IPC), A/C compressor requests sent from the Air Conditioning Programmer (ACP) to the PCM, or Climate Control information sent between the IPC and ACP. This shared information architecture also provides for the on-board self diagnostic capabilities of the computer control systems.