Operation CHARM: Car repair manuals for everyone.
Manuals through 2025 now available!

Our trusted friends have launched a new website named LEMON, which has newer manuals. It also contains all the CHARM manuals.

LEMON is the spiritual successor to CHARM, I recommend you try it!

Link: lemon-manuals.la or lemon-manuals.org.ua

(Some people have issue connecting. LEMON is investigating. For now, use Firefox or change your DNS server)

Or, hide this message: temporarily or permanently

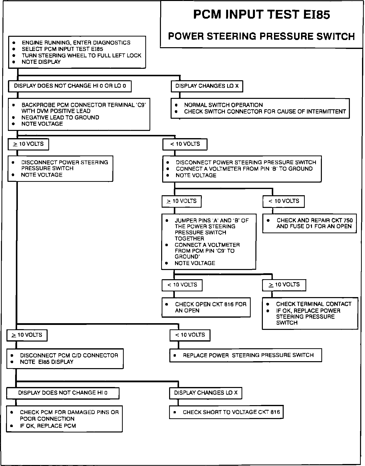
Power Steering Pressure Switch: Testing and Inspection

Diagnostic Chart.:




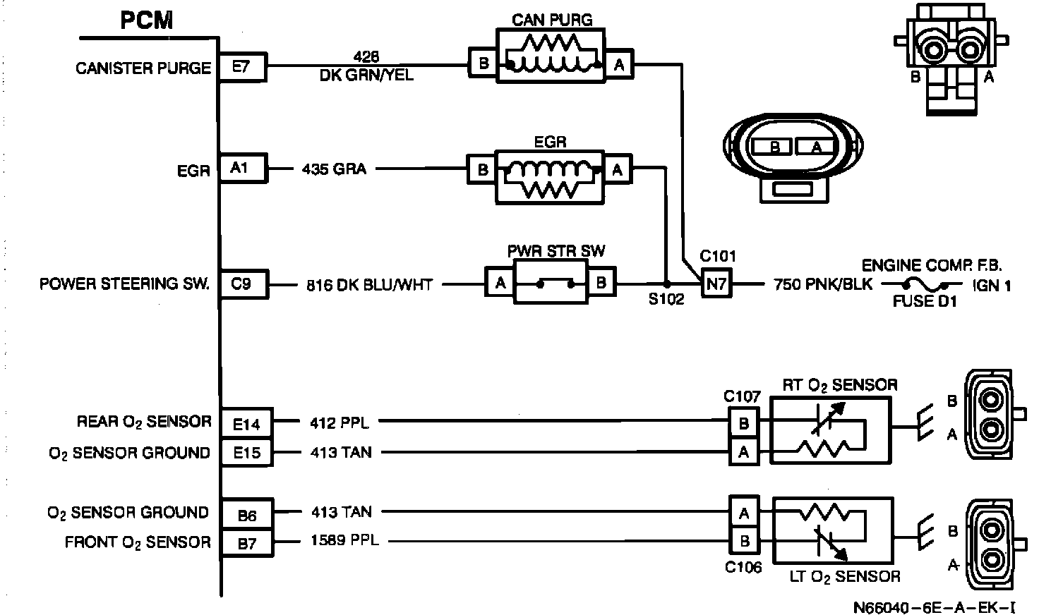
Wiring Diagram:








DISPLAY CONFIGURATION:

After the diagnostic trouble codes have been displayed, the Driver Information Center (DIC) will display "ECM?". Depress the HI blower button. The display will change to read "ECM DATA?". Depress the LO blower button. The display will change to read "ECM INPUTS?". Depress the HI blower button. The display will change to read EI70. Depress the LO blower button seven times. The display will change to read HI '0' EI85. When the steering wheel is turned the display will change to read LO 'X'. The change from '0' to 'X' indicates that the test has been successfully completed.

TEST DESCRIPTION:

This test detects the open and close of the power steering switch located on the steering gear at terminal C9 of the PCM.

NOTE: The engine must be running and the steering wheel turned to the full left or right to perform this test.