Operation CHARM: Car repair manuals for everyone.
Manuals through 2025 now available!

Our trusted friends have launched a new website named LEMON, which has newer manuals. It also contains all the CHARM manuals.

LEMON is the spiritual successor to CHARM, I recommend you try it!

Link: lemon-manuals.la or lemon-manuals.org.ua

(Some people have issue connecting. LEMON is investigating. For now, use Firefox or change your DNS server)

Or, hide this message: temporarily or permanently

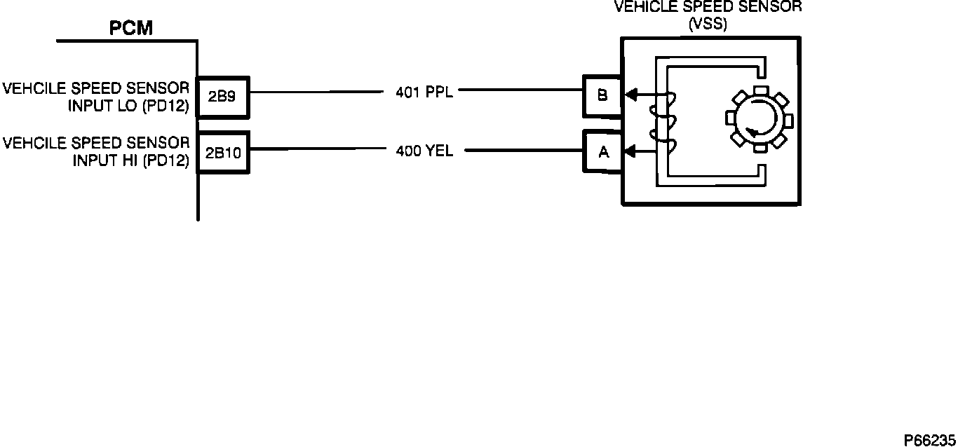
Vehicle Speed Sensor: Description and Operation


Speed Sensor Location:




PCM Wiring:









The Vehicle Speed Sensor (VSS) is a pulse generator which is mounted in the transaxle. A toothed reluctance ring rotates near a magnetic pick up, producing a voltage signal that is proportional to the vehicle speed. The PCM uses this signal for the logic required to operate the fuel economy data panel, the integral cruise control, the idle speed control system, Torque Converter Clutch (TCC), and to modify fuel delivery under certain vehicle conditions. A speed sensor or circuit which is not functioning properly will set a code P024. An intermittent problem can also set code P075.