Operation CHARM: Car repair manuals for everyone.
Manuals through 2025 now available!

Our trusted friends have launched a new website named LEMON, which has newer manuals. It also contains all the CHARM manuals.

LEMON is the spiritual successor to CHARM, I recommend you try it!

Link: lemon-manuals.la or lemon-manuals.org.ua

(Some people have issue connecting. LEMON is investigating. For now, use Firefox or change your DNS server)

Or, hide this message: temporarily or permanently

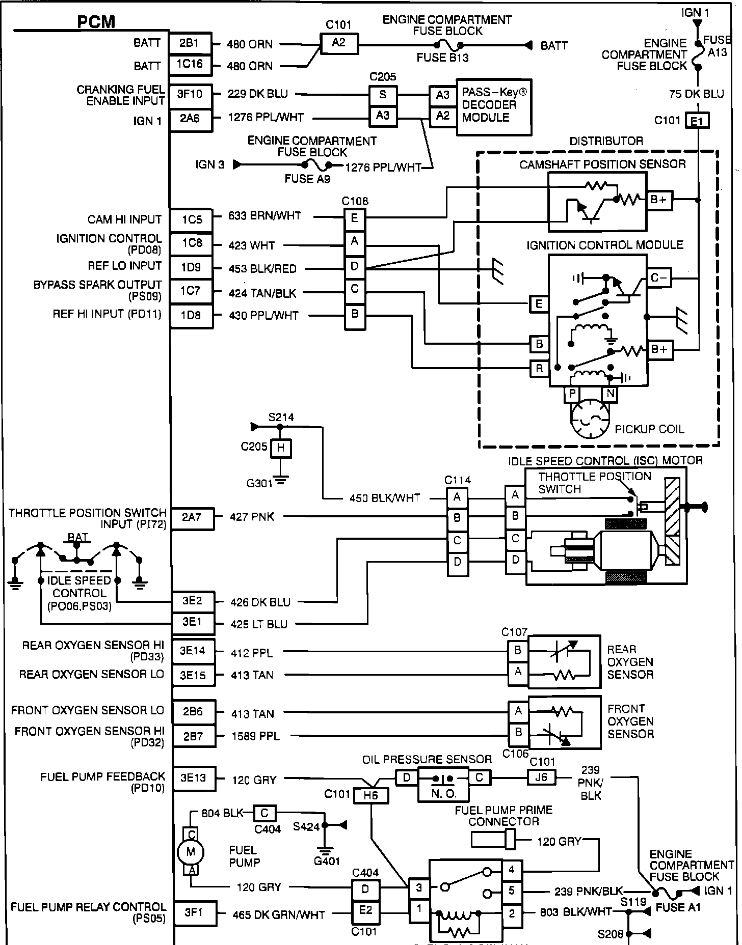
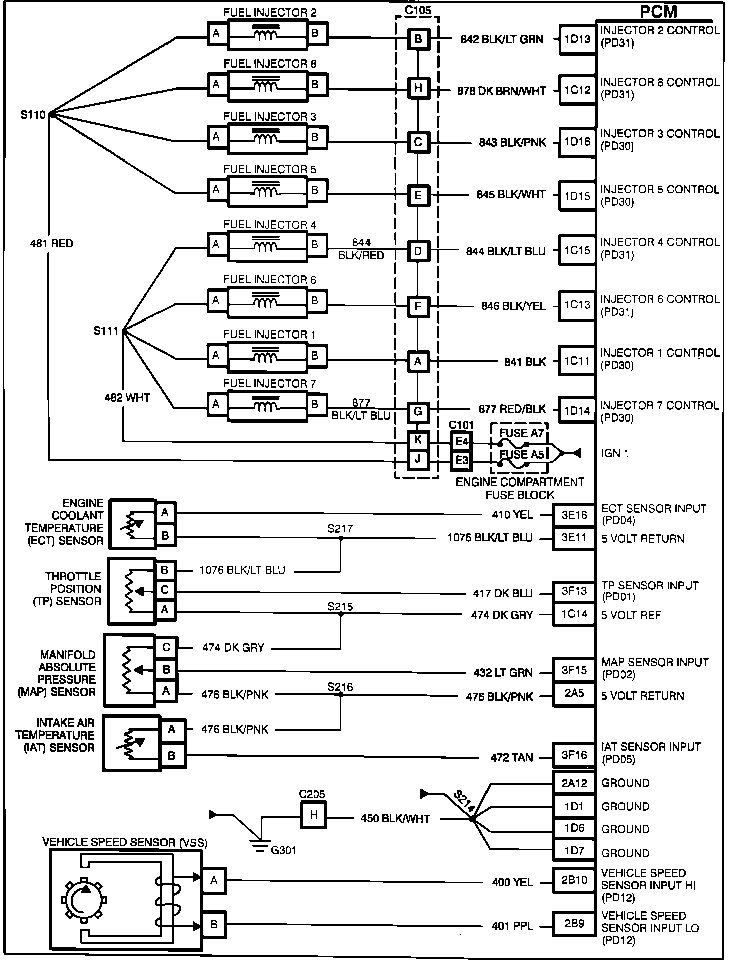
Electronic/Powertrain Control Module (ECM/PCM)

PCM Wiring:






PCM Connector Circuit

1D13 = Injector #2
1C12 = Injector #8
1D16 = Injector #3
1D15 = Injector #5
1C15 = Injector #4
1C13 = Injector #6
1C11 = Injector #1
1D14 = Injector #7
3E16 = COOLANT SENSOR
3E11 = 5 VOLT RETURN - TP/ECT
3F13 = TP INPUT
1C14 = 5 VOLT REF
3F15 = MAP
2A5 = 5 VOLT RETURN - IAT/MAP
3F16 = IAT
2A12 = PCM GRD
1D1 = PCM GRD
1D6 = PCM GRD
1D7 = PCM GRD
2B10 = VEHICLE SPEED SENSOR - HI
2B9 = VEHICLE SPEED SENSOR - LO


PCM Wiring:






PCM Connector Circuit

2B1 = BAT
1C16 = BAT
3F10 = CRANKING FUEL ENABLE INPUT
2A6 = IGN 1
1C5 = CAM HI
1C8 = IGNITION CONTROL
1D9 = CAM LO/REF LO
1C7 = BYPASS
1D8 = REF HI
2A7 = THROTTLE SWITCH
3E2 = ISC LO
3E1 = ISC HI
3E14 = O2 SENSOR
3E15 = O2 SENSOR GRD
2B6 = O2 SENSOR
2B7 = O2 SENSOR GRD
3E13 = FUEL PUMP FEEDBACK
3F1 = FUEL PUMP RELAY


PCM Wiring:






PCM Connector Circuit

3F4 = A/C CLUTCH RELAY
2A11 = FAN RELAY 1
2B8 = FAN RELAY 2
3F8 = INPUT A - PRNDL
1C10 = INPUT B - PRNDL
3F7 = INPUT C - PRNDL
2A2 = INPUT PARITY - PRNDL
1C4 = TCC BRAKE SW
3F6 = VCC TCC CONTROL
3F5 = VCC MOD
3E10 = SHIFT A
3E4 = SHIFT B


PCM Wiring:






PCM Connector Circuit

2B3 = C/C POS HI
2B4 = C/C POS LO
3F3 = C/C VAC
3F2 = C/C VENT
1D3 = C/C SET/COAST
1C3 = C/C RESUME/ACCEL
1D2 = C/C ON/OFF
1C2 = C/C BRAKE
3E7 = CANISTER PURGE
2A1 = EGR SOLENOID
1C1 = VSS OUTPUT TO OVERSPEED MODULE
1C9 = POWER STEERING SW
1D12 = FAST IDLE REQUEST/HEATED WINDSHIELD MODULE
3E6 = LIFT/DIVE OUTPUT
2B12 = VSS SPEED OUTPUT
2A10 = SERVICE ENG SOON
2B11 = IPC SPEED OUTPUT
2A8 = UART SERIAL DATA
2A9 = UART SERIAL DATA
3E12 = FIXED SPARK/SET TIMING