Operation CHARM: Car repair manuals for everyone.
Manuals through 2025 now available!

Our trusted friends have launched a new website named LEMON, which has newer manuals. It also contains all the CHARM manuals.

LEMON is the spiritual successor to CHARM, I recommend you try it!

Link: lemon-manuals.la or lemon-manuals.org.ua

(Some people have issue connecting. LEMON is investigating. For now, use Firefox or change your DNS server)

Or, hide this message: temporarily or permanently

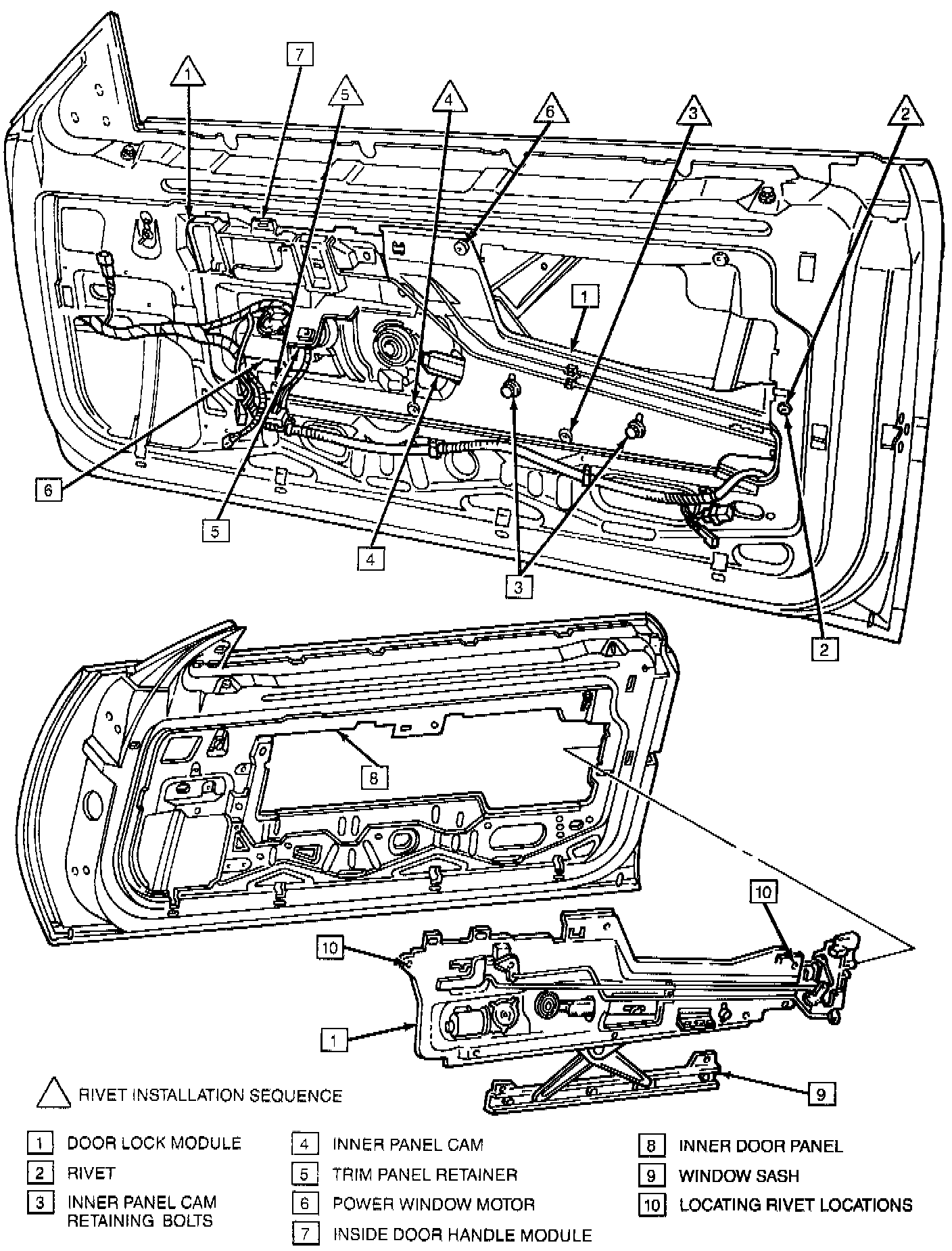
Window Regulator Assy. (Lock Module)

LOCK MODULE


Door Lock Module:






REMOVE OR DISCONNECT
1. Trim panel.
2. Water deflector.
3. Outside handle and key cylinder lock rods from lock.
4. Three screws securing lock to door.
5. Position window to gain access to window sash bolts.

NOTICE: Support window assembly at run channels.

6. Three sash to window bolts.
7. Wiring harness from lock, window motor and module.
8. Using a 1/4 inch case hardened drill bit, drill out rivets retaining module.
9. Lock module.

INSTALL OR CONNECT
1. Position lock module to door, hang module on inner hooks.
2. Three screws retaining lock to door.
3. Locating rivets using monobolt type rivets and monobolt rivet head in rivet gun.

NOTICE: The upper front and upper rear corner rivets are locating rivets. Install front rivet first then rear rivet.

4. Remaining rivets.
5. Wiring harness.
6. Window sash bolts.
7. Outside handle and lock rods to lock.
8. Water deflector.
9. Trim panel.