Operation CHARM: Car repair manuals for everyone.
Manuals through 2025 now available!

Our trusted friends have launched a new website named LEMON, which has newer manuals. It also contains all the CHARM manuals.

LEMON is the spiritual successor to CHARM, I recommend you try it!

Link: lemon-manuals.la or lemon-manuals.org.ua

(Some people have issue connecting. LEMON is investigating. For now, use Firefox or change your DNS server)

Or, hide this message: temporarily or permanently

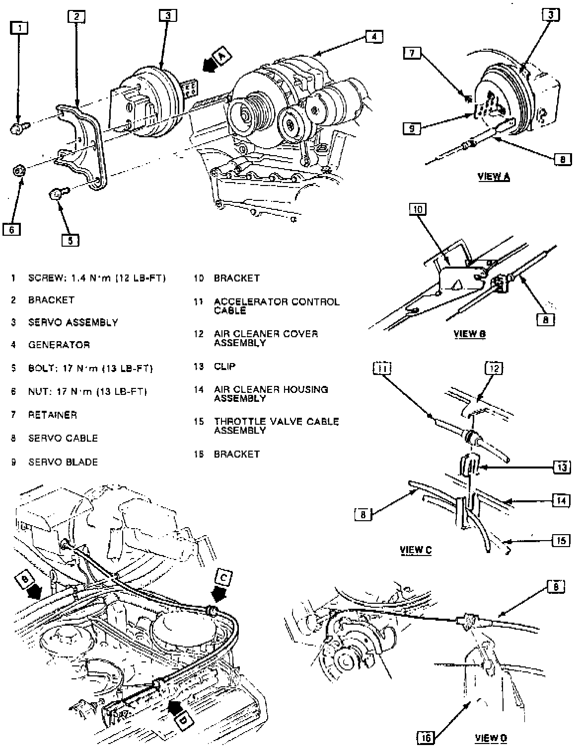
Cruise Control Servo Cable: Service and Repair

Fig. 43 Cruise Control Replacement:






1. Remove air cleaner housing lid and throttle body intake ductwork.
2. Remove retainer at servo, then remove cable from rear bracket by releasing lock tangs, Fig. 43 .
3. Remove accelerator cable, clip and cruise control cable from air cleaner housing.
4. Remove accelerator cable and cruise control cable from front bracket by releasing locking tang.
5. Disconnect cruise control cable from throttle lever, then remove cable.
6. Reverse procedure to install, adjusting cable as outlined.