Operation CHARM: Car repair manuals for everyone.
Manuals through 2025 now available!

Our trusted friends have launched a new website named LEMON, which has newer manuals. It also contains all the CHARM manuals.

LEMON is the spiritual successor to CHARM, I recommend you try it!

Link: lemon-manuals.la or lemon-manuals.org.ua

(Some people have issue connecting. LEMON is investigating. For now, use Firefox or change your DNS server)

Or, hide this message: temporarily or permanently

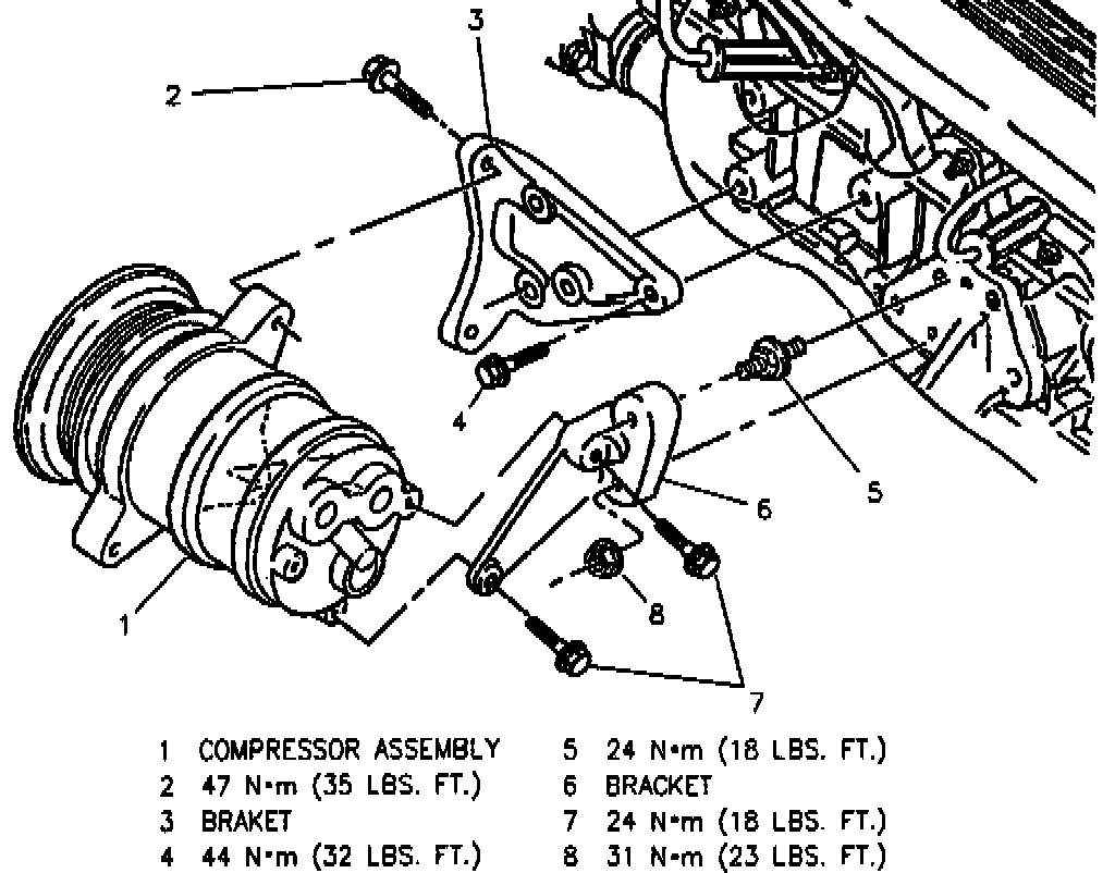
Compressor Replacement

COMPRESSOR REPLACEMENT PROCEDURE


Compressor Hose Assembly Filter Within Muffler:




^ Replace compressor hose assembly.

NOTE: The compressor hose assembly muffler is equipped with wire mesh screens to prevent debris from a compressor failure from entering the refrigerant system. The flushing procedure used on models of previous years is not necessary on vehicles equipped with the filter muffler assembly.

Compressor Splash Shield:




Compressor Hose Assembly:




A/C Compressor Hose Assembly Block Fitting:




Compressor Mounting (4.6L):






COMPRESSOR AND MOUNTING BRACKETS
^ Recover refrigerant.

REMOVE OR DISCONNECT
1. Serpentine drive belt.
A Rotate the belt tensioner upward off of drive belt with a wrench.
B Remove belt from all components.

^ Raise and suitably suitably support vehicle.

2. Compressor splash shield (three screws).
3. Engine splash shield and retainer (three screws).
4. Compressor electrical connection.
5. One bolt securing compressor inlet and outlet line fitting.
6. Compressor from mounting bracket.
7. Mounting bracket and brace from engine.

INSTALL OR CONNECT
1. Compressor mounting bracket to vehicle.

TIGHTEN
^ Rear Bracket stud(s) 24 Nm (18 lb. ft.).

2. Compressor to vehicle.

TIGHTEN
^ Rear mounting nut to stud 31 Nm (23 lb. ft.).
^ Front mounting bolts 47 Nm (35 lb. ft.).

3. Compressor inlet and outlet line fitting.

TIGHTEN
^ Compressor line fitting bolt to 33 Nm (24 lb. ft.).

4. Compressor electrical connection.
5. Compressor and engine splash shields.

^ Lower vehicle.

6. Serpentine drive belt.

IMPORTANT: Be sure that the belt is aligned properly into the grooves of the accessory pulleys.

A. Rotate belt tensioner upward with a wrench and thread the belt under the tensioner pulley.
B. Return tensioner to normal position.

^ Evacuate and charge Electronic Climate Control (ECC) System.
^ Leak test all refrigerant connections.

NOTICE: All leaks must be repaired. Under no circumstances should the compressor be operated when a leak exists. Loss of refrigerant prevents oil return. to the compressor and operating it could cause damage.