Operation CHARM: Car repair manuals for everyone.
Manuals through 2025 now available!

Our trusted friends have launched a new website named LEMON, which has newer manuals. It also contains all the CHARM manuals.

LEMON is the spiritual successor to CHARM, I recommend you try it!

Link: lemon-manuals.la or lemon-manuals.org.ua

(Some people have issue connecting. LEMON is investigating. For now, use Firefox or change your DNS server)

Or, hide this message: temporarily or permanently

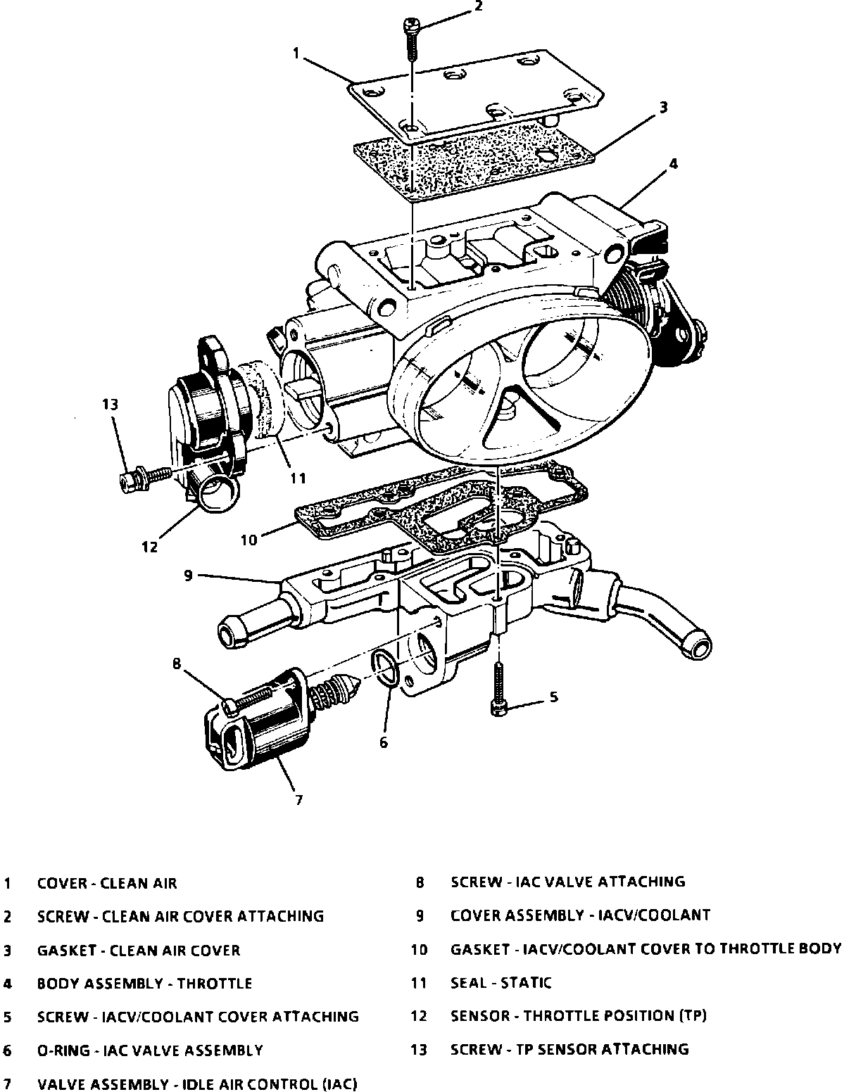
Throttle Position Sensor: Service and Repair

Throttle Body Assembly:





Remove or Disconnect:
1. Disconnect electrical connector
2. Remove TP sensor attaching screws
3. Remove TP sensor

Install or Connect:
1. With throttle in closed position, install the throttle position sensor on the throttle body assembly, making sure TP sensor lever lines up with the TP sensor drive lever on the throttle shaft.
2. Coat TP sensor attaching screws with appropriate thread locking material
3. Tighten TP sensor attaching screws
Torque Value: 2.0 N-m (18 lb.in.)