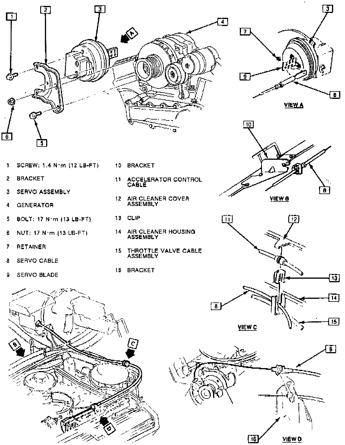
Cruise Control Servo Cable: Service and Repair
Fig. 43 Cruise Control Replacement:
1. Remove air cleaner housing lid and throttle body intake ductwork.
2. Remove retainer at servo, then remove cable from rear bracket by releasing lock tangs, Fig. 43 .
3. Remove accelerator cable, clip and cruise control cable from air cleaner housing.
4. Remove accelerator cable and cruise control cable from front bracket by releasing locking tang.
5. Disconnect cruise control cable from throttle lever, then remove cable.
6. Reverse procedure to install, adjusting cable as outlined.