Operation CHARM: Car repair manuals for everyone.
Manuals through 2025 now available!

Our trusted friends have launched a new website named LEMON, which has newer manuals. It also contains all the CHARM manuals.

LEMON is the spiritual successor to CHARM, I recommend you try it!

Link: lemon-manuals.la or lemon-manuals.org.ua

(Some people have issue connecting. LEMON is investigating. For now, use Firefox or change your DNS server)

Or, hide this message: temporarily or permanently

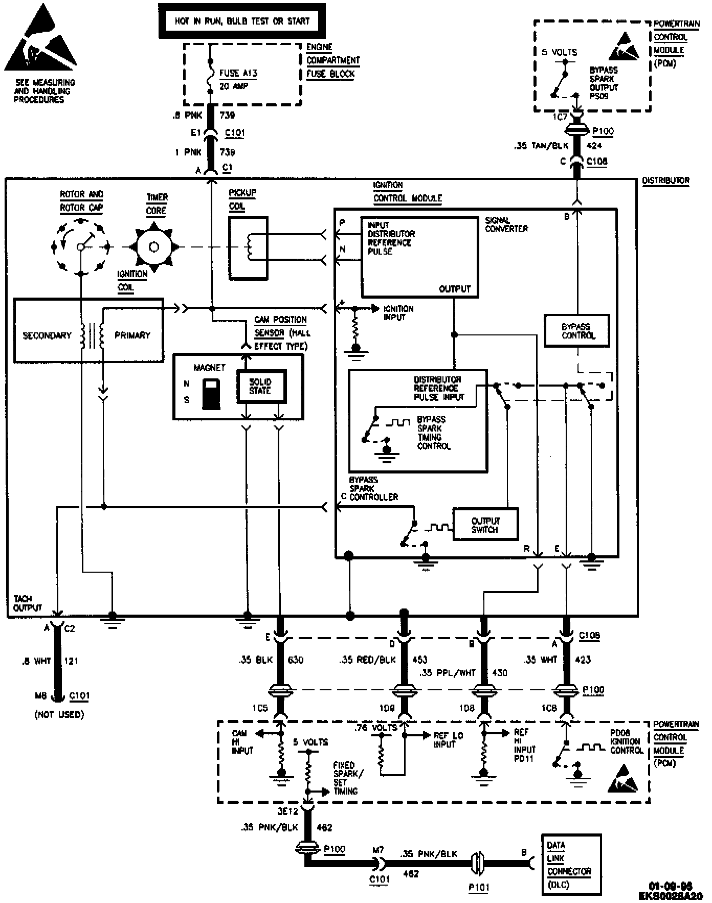
General System Description

Ignition Circuit:






IGNITION CONTROL SYSTEM
The Ignition Control System controls fuel combustion by providing a spark to ignite the compressed air/fuel mixture in each cylinder at the correct time. To provide improved engine performance, fuel economy, and control of exhaust emissions, the Powertrain Control Module (PCM) controls distributor timing (spark advance or retard) with the Ignition Control System.

The Ignition Control System consists of the following components:

^ Distributor housing.
^ Timer core.
^ Camshaft position sensor.
^ Ignition Control Module (ICM).
^ Eight spark plug wires and conduit.
^ Eight spark plugs.
^ Pole piece.
^ PCM.
^ Pickup coil.
^ Distributor cap and rotor.
^ Ignition coil.
^ Hall effect Switch.

SYSTEM OPERATION
The distributor with Ignition Control combines all necessary ignition components in one contained unit.

The ignition coil is contained in the distributor cap and connects through a center contact to the rotor.

The magnetic pickup assembly, located inside the distributor, contains a permanent magnet, a pole piece with internal teeth, and a pickup coil. A toothed timer core, attached to the distributor main shaft, rotates inside the pole piece. As the teeth of the timer core line up with the teeth of the pole piece, a varying current is induced in the pickup coil. The induced current flow is converted by the ICM into a distributor reference pulse. The ICM acting as an electronic "ON/OFF" switch, controls the current flow in the primary winding of the ignition coil. This switching action induces a high voltage in the ignition coil secondary winding which is directed through the rotor and spark plug wires to fire the spark plugs.

A Hall Effect Switch, positioned in the distributor housing, serves as a camshaft position sensor for the sequential port fuel injection system. The camshaft position sensor senses the opening point of the intake valve on the number one cylinder and provides that information to the PCM. Fuel injection is sequenced relative to the engine firing order once the No. 1 intake stroke is determined.

All spark timing changes are performed electronically by the PCM. The PCM monitors information from various engine sensors, computes the desired spark timing and signals the ICM to change the timing accordingly. A backup spark advance system is programmed into the ICM in case of PCM failure. No vacuum or mechanical advance are used.