Operation CHARM: Car repair manuals for everyone.
Manuals through 2025 now available!

Our trusted friends have launched a new website named LEMON, which has newer manuals. It also contains all the CHARM manuals.

LEMON is the spiritual successor to CHARM, I recommend you try it!

Link: lemon-manuals.la or lemon-manuals.org.ua

(Some people have issue connecting. LEMON is investigating. For now, use Firefox or change your DNS server)

Or, hide this message: temporarily or permanently

Alternate Method

ENGINE ASSEMBLY REMOVAL/INSTALLATION (ALTERNATE METHOD)

NOTE: The preferred method of removing the engine assembly is through the bottom of the vehicle. If the necessary equipment is not available, use the alternate service removal procedure.

REMOVE OR DISCONNECT
1. Remove hood and remove tower-to-tower brace.
2. Disconnect battery and remove air cleaner inlet duct.
3. Drain coolant from radiator.
4. Remove left and right torque struts. Reinstall bolt in torque strut bracket at left front of engine as this will be used as an engine lift point.
5. Disconnect radiator hoses at water crossover.
6. Remove both engine cooling fans.
7. Remove serpentine accessory drive belt.
8. Disconnect cruise control servo connections.
9. Disconnect Idle Speed Control (ISC) motor electrical connector.
10. Disconnect throttle cable from throttle body cam. Service and Repair
11. Disconnect shift cable from park/neutral switch and cable bracket at transmission.
12. Remove park/neutral switch.
13. Disconnect power brake vacuum hose.
14. Remove intake manifold.
15. Remove starter motor. Service and Repair
16. Disconnect cylinder head temperature switch at rear of right head.






17. Remove bell housing bolts.
18. Remove ignition coils and spark plug wires.
19. Raise vehicle.






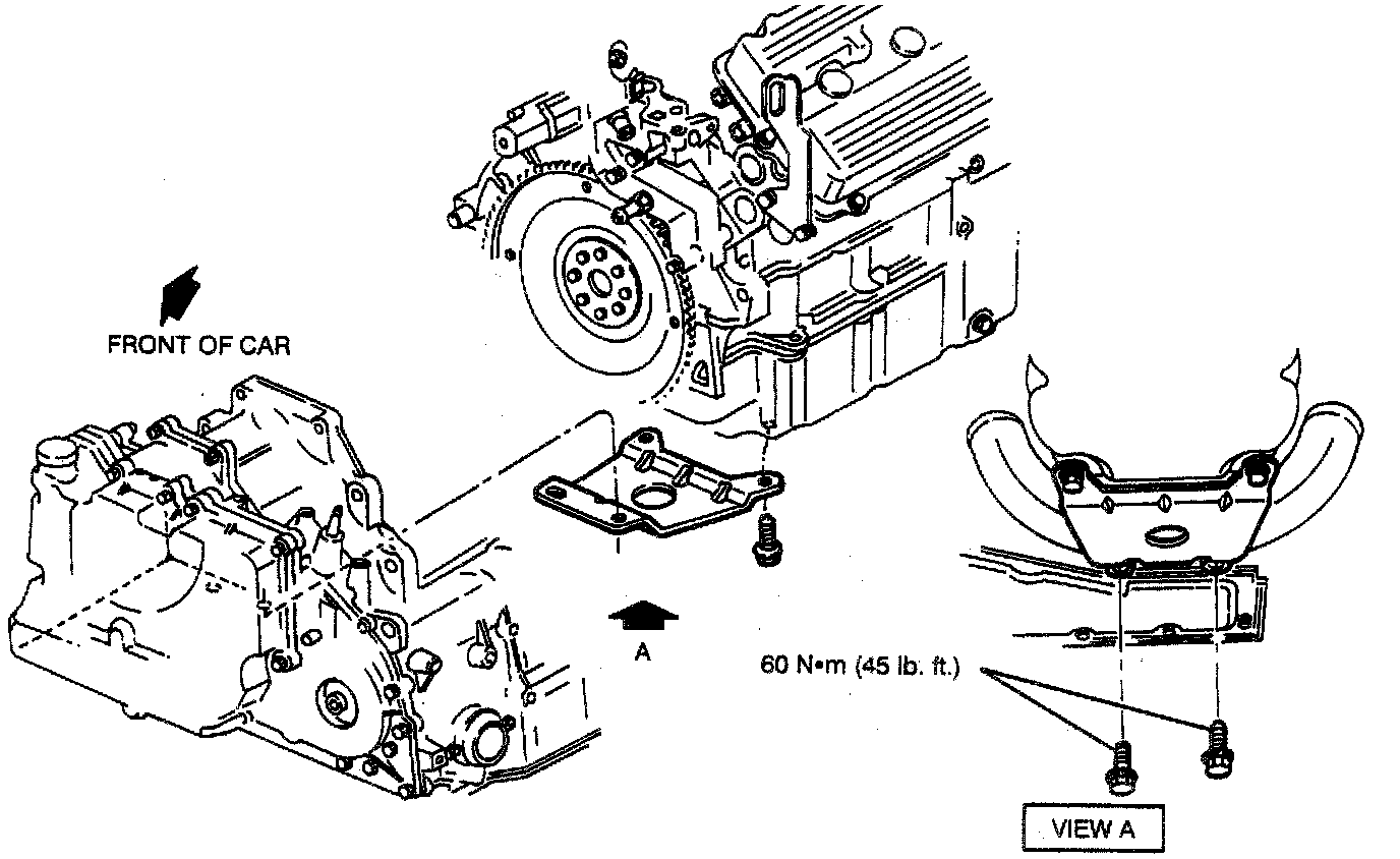
20. Remove oil pan-to-transmission brace.
21. Remove torque converter splash shield and remove four converter-to-flywheel bolts.






22. Disconnect oil cooler lines at oil filter adapter.
23. Remove A/C compressor mounting bolts and electrical connections. Set compressor out of way.






24. Disconnect electrical connections from harness along left hand side of engine. Move harness out from behind exhaust manifold.
25. Remove two nuts securing motor mount to engine cradle front crossmember.
26. Remove exhaust "Y" pipe.
27 .Remove right front wheel and remove crankcase-to-transmission bracket at transmission tail shaft.
28. Disconnect knock sensor.
29. Remove bolt from transmission-to-cylinder head brace at cylinder head.
30. Lower vehicle.
31. Disconnect fuel inlet and return lines using J 37088.
32. Disconnect injector harness connector.
33. Disconnect hoses from coolant reservoir and remove reservoir.
34. Disconnect cam position sensor.
35. Disconnect heater hoses from water pipes at front of right cylinder head.
36. Disconnect battery cable from junction block and remove retainer at cylinder head.
37. Disconnect starter cable from junction block.
38. Disconnect power steering pump pressure and return lines at pump.
39. Remove power steering line retainer at right front of crankcase.
40. Disconnect rear oxygen sensor.
41. Remove three screws securing wiring harness retainer to right cam cover and position harness out of way.
42. Connect an engine lifting fixture to engine using support hooks at left rear and right rear of engine. Use the torque Strut bracket at the left front of engine for third lift point. A load tilting device such as J 39456 will provide an extra degree of adjustment.
43. Remove engine. Use caution when moving engine to prevent damage as space is very limited.

INSTALL OR CONNECT
1. Lower engine into position in chassis. Use caution when moving engine to prevent damage.
2. Install four bell housing bolts.

TIGHTEN
- Bolts to 100 Nm (74 lb. ft.), Refer to Removal Step 17 for Image.

3. Raise vehicle.
4. Loosely install two nuts to motor mount at front cradle crossmember.
5. Loosely install bolt to cylinder head for transmission brace.
6. Install transmission - to - crankcase bracket by loosely installing four bolts.
7. Fasteners installed in Steps 4 thru 6 as follows:

TIGHTEN
- Step 4-40 Nm (30 lb. ft.)
- Step 5-60 Nm (44 lb. ft.)
- Step 6-60 Nm (44 lb. ft.)

8. Install right front wheel.
9. Connect knock sensor.
10. Install exhaust "Y" pipe.
11. Loosely install four torque convert to flywheel bolts.

TIGHTEN
- To 60 Nm (44 lb. ft.).

12. Install converter splash shield.
13. Install transmission-to-oil pan brace. Refer to Removal Step 20 for image.

TIGHTEN
- Bolt to 50 Nm (37 lb. ft.).

14. Position A/C compress to crankcase and secure with mounting bolts.






15. Route electrical harness along engines left side and make connection.
16. Connect oil cooler lines to oil filter adapter. Shorter of the lines connects the lower cooler connection (at radiator) to the forward most oil filter adapter fitting.
17. Lower vehicle.
18. Position wiring harness across right cam cover and secure with three screws.
19. Connect rear oxygen sensor.
20. Connect power steering hoses to pump and secure return line to crankcase at right front.
21. Connect heater hoses to water pipes.
22. Connect cam position sensor.
23. Install starter and connect battery cables at junction box.
24. Route battery cable and secure with retainer.
25. Install intake manifold.
26. Install coolant reservoir and make connection at heater water pipe and tube to throttle body.
27. Install coil pack to right cam cover and secure with 4 screws.
28. Install serpentine accessory drive belt.
29. Connect cylinder head temperature switch to rear of right head.
30. Connect power brake vacuum line.
31. Install park/neutral switch and shift cable. Adjust switch. Adjustments
32. Install cruise servo and connect ISC motor.
33. Install both cooling fans.
34. Install tower-to-tower brace.
35. Connect radiator hoses to water crossover.
36. Install torque struts and adjust to zero preload.
37. Connect battery.
38. Install engine coolant. Service and Repair
39. Install hood.
40. Install air cleaner.