Operation CHARM: Car repair manuals for everyone.
Manuals through 2025 now available!

Our trusted friends have launched a new website named LEMON, which has newer manuals. It also contains all the CHARM manuals.

LEMON is the spiritual successor to CHARM, I recommend you try it!

Link: lemon-manuals.la or lemon-manuals.org.ua

(Some people have issue connecting. LEMON is investigating. For now, use Firefox or change your DNS server)

Or, hide this message: temporarily or permanently

Drive Belt: Service and Repair

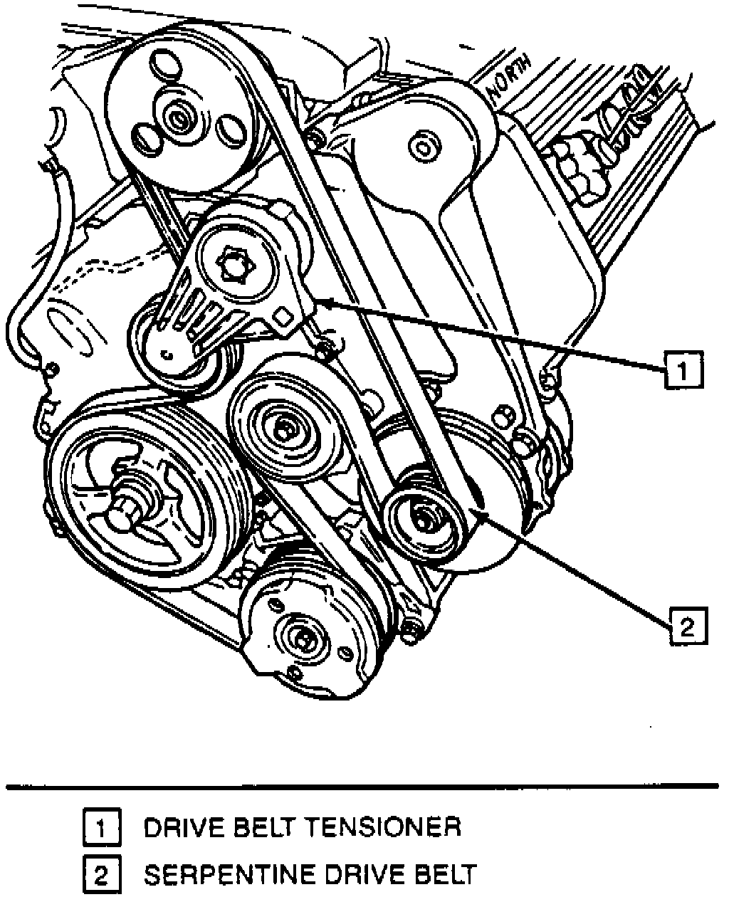
Fig. 24 Serpentine Drive Belt Routing:






1. Rotate drive belt tensioner mechanism upward, away from drive belt using a 1/2 inch breaker bar.
2. Remove serpentine drive belt.
3. Reverse procedure to install. Refer to Fig. 24, for serpentine drive belt routing.