Operation CHARM: Car repair manuals for everyone.
Manuals through 2025 now available!

Our trusted friends have launched a new website named LEMON, which has newer manuals. It also contains all the CHARM manuals.

LEMON is the spiritual successor to CHARM, I recommend you try it!

Link: lemon-manuals.la or lemon-manuals.org.ua

(Some people have issue connecting. LEMON is investigating. For now, use Firefox or change your DNS server)

Or, hide this message: temporarily or permanently

Shift Cable Replacement

SHIFT CABLE REPLACEMENT 4T80-E TRANSAXLE

Fig.1 Transaxle Shift Control Cable Adjustment:




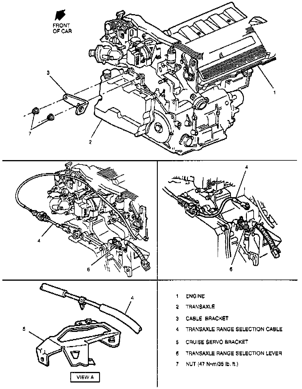
Fig.2Transaxle Range Control System, Engine Compartment.:




Fig.3 Transaxle Range Control System, Passenger Compartment:






REMOVAL
Refer to the images when servicing shifter cable.
1. Remove air cleaner duct and housing, then disconnect shifter cable at lever on transaxle manual shaft.
2. Disconnect shifter cable at bracket on transaxle, then remove attaching bolts and bracket at transaxle (if bracket replacement is necessary).
3. Remove shifter knob and console trim plate in passenger compartment.
4. Disconnect shifter cable at shifter assembly.
5. Loosen carpet attachments on front left side of passenger compartment to allow access to cable routing.
6. Remove cable grommet through cowl, then cable from vehicle.


INSTALLATION
1. Install cable through cowl and grommet into cowl, then rout cable under carpet and attach carpet in front left side of passenger compartment.
2. Connect shifter cable at shifter assembly, then install trim plate and shifter knob in passenger compartment.
3. Install cable bracket and attaching bolts at transaxle (if bracket replacement was necessary), then tighten bolts to specification.
4. Connect shifter cable at bracket on transaxle and at lever on transaxle manual shaft.
5. Adjust cable as follows:
a. Use a flat head screwdriver to pry lock button on shifter cable to unlocked position.
b. Place transaxle shifter in Neutral, then select Neutral position at lever on transaxle manual shaft.
c. Depress lock button on shifter cable into LOCKED position.
6. Install air cleaner duct and housing.