Operation CHARM: Car repair manuals for everyone.
Manuals through 2025 now available!

Our trusted friends have launched a new website named LEMON, which has newer manuals. It also contains all the CHARM manuals.

LEMON is the spiritual successor to CHARM, I recommend you try it!

Link: lemon-manuals.la or lemon-manuals.org.ua

(Some people have issue connecting. LEMON is investigating. For now, use Firefox or change your DNS server)

Or, hide this message: temporarily or permanently

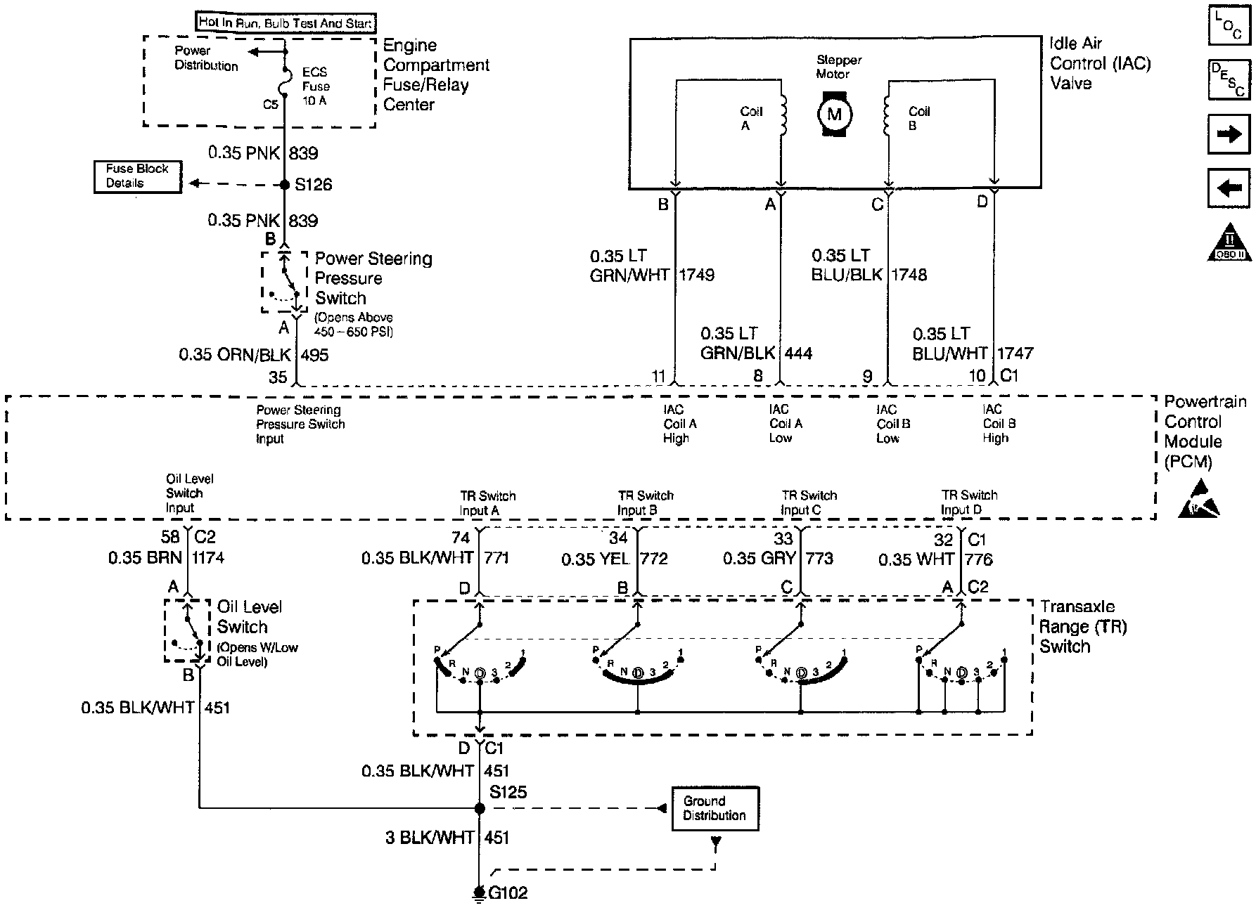
Idle Speed Control Check

Fuel System Diagnosis (Idle Speed Control Check):




Fuel System Diagnosis (Idle Speed Control Check) (continued):




Engine Controls (IAC Valve and PSP/ Oil Level/ TR Switches):






Circuit Description

The Idle Speed Control Check verifies proper Idle Air Control (IAC) valve operation.

Test Description

Number(s) below refer to the step number(s) on the Diagnostic Table.

4. This check test the IAC valve to make sure that it is moving in and out without binding. Follow PCM DTC P1508 diagnosis to identify the cause of a faulty IAC valve.

5. This procedure checks for high minimum air idle which could cause a high idle at closed throttle. It is OK if the engine cannot stay running at minimum air idle.

7. This procedure checks for IAC ability to increase idle speed.