Operation CHARM: Car repair manuals for everyone.
Manuals through 2025 now available!

Our trusted friends have launched a new website named LEMON, which has newer manuals. It also contains all the CHARM manuals.

LEMON is the spiritual successor to CHARM, I recommend you try it!

Link: lemon-manuals.la or lemon-manuals.org.ua

(Some people have issue connecting. LEMON is investigating. For now, use Firefox or change your DNS server)

Or, hide this message: temporarily or permanently

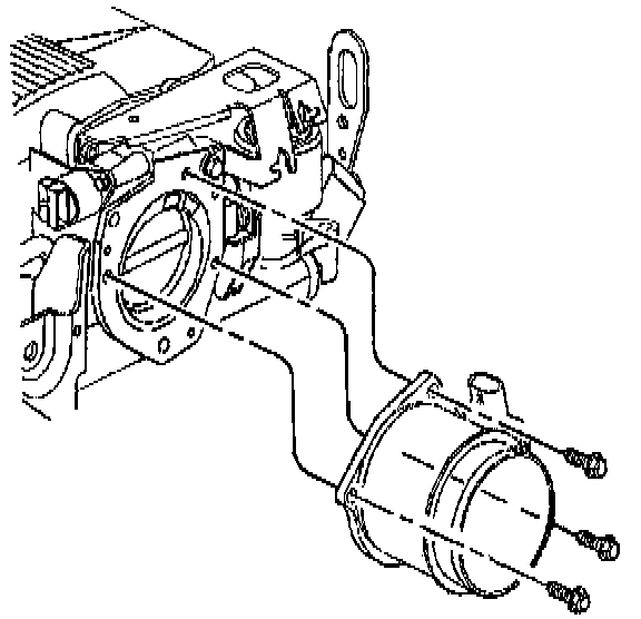
Air Flow Meter/Sensor: Service and Repair

MAF Sensor:






Removal Procedure

Notice: Take care not to damage the Mass Air Flow (MAF) sensor housing screen. Damage to the screen could restrict airflow possibly resulting in a driveability concern.

1. Remove the Intake Air duct.

2. Disconnect the MAF sensor electrical connector.

3. Remove the 3 MAF sensor mounting screws.

4. Remove the MAF sensor.

Installation Procedure

Notice: The outlet of the air cleaner assembly and the MAF sensor inlet duct must line up when completely installed. Misalignment may cause incorrect airflow readings resulting in Malfunction Indicator Lamp (MIL) illumination or a driveability concern. Improper installation of the inlet duct assembly or air cleaner assembly may cause misalignment.

1. Install the MAF sensor assembly. Tighten the MAF sensor assembly bolts to 8 Nm (71 lb in).

2. Connect the MAF sensor electrical connector.

3. Install the Intake Air duct. Tighten the Intake Air duct screw clamp to 3 Nm (27 lb in).