Operation CHARM: Car repair manuals for everyone.
Manuals through 2025 now available!

Our trusted friends have launched a new website named LEMON, which has newer manuals. It also contains all the CHARM manuals.

LEMON is the spiritual successor to CHARM, I recommend you try it!

Link: lemon-manuals.la or lemon-manuals.org.ua

(Some people have issue connecting. LEMON is investigating. For now, use Firefox or change your DNS server)

Or, hide this message: temporarily or permanently

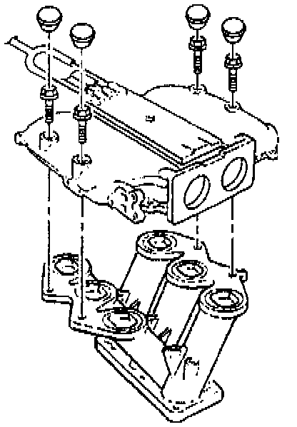
Intake Plenum Installation



1. Install the intake plenum and install the intake plenum seals.





2. Install the intake plenum bolts.

Notice: Refer to Fastener Notice in Service Precautions.

- Tighten the intake plenum bolts to 8 Nm (71 inch lbs).

3. Install the intake plenum bolt covers.





4. Install the crankcase vent tube adapter and install the crankcase vent tube adapter seal.
5. Install the crankcase vent tube adapter bolt.
6. Tighten the crankcase vent tube adapter bolt until fully seated. DO NOT strip the bolt.
7. Install the crankcase vent tube adapter cover.
8. Install the throttle body gasket to the plenum.
9. Install the throttle body to the plenum.





10. Install the throttle body bolts.
- Tighten the throttle body bolts to 8 Nm (71 inch lbs).