Operation CHARM: Car repair manuals for everyone.
Manuals through 2025 now available!

Our trusted friends have launched a new website named LEMON, which has newer manuals. It also contains all the CHARM manuals.

LEMON is the spiritual successor to CHARM, I recommend you try it!

Link: lemon-manuals.la or lemon-manuals.org.ua

(Some people have issue connecting. LEMON is investigating. For now, use Firefox or change your DNS server)

Or, hide this message: temporarily or permanently

Cruise Control Module: Service and Repair

REMOVAL PROCEDURE




1. Disconnect the cruise control cable from the following locations:
^ The throttle body cam
^ The throttle body bracket
^ The cruise control module Refer to Cruise Control Cable Replacement.
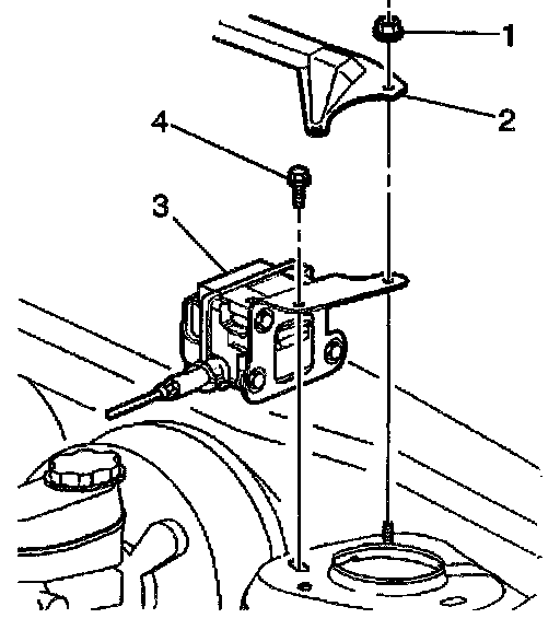
2. Disconnect the electrical connector from the cruise control module assembly (1).




3. Remove the cross car brace.
4. Remove the cruise control module assembly (3).




5. Remove the fasteners (3) retaining the cruise control module (1) to the mounting bracket (2).
6. Remove the cruise control module from the mounting bracket.

INSTALLATION PROCEDURE




1. Install the cruise control module (1) to the mounting bracket (2).

NOTE: Refer to Fastener Notice in Cautions and Notices.

2. Install the fasteners (3) to the cruise control module.

Tighten
Tighten the fasteners to 7.5 N.m (66 lb in).




3. Install the cruise control module assembly (3) on the upper strut plate stud.
4. Install the cross car brace.




5. Connect the electrical connector to the cruise control module assembly (1).
6. Connect the cruise control cable to the following locations:
^ The throttle body cam
^ The throttle body bracket
^ The cruise control module
Refer to Cruise Control Cable Replacement Service and Repair.
7. Adjust the cruise control cable. Refer to Cruise Control Cable Adjustment Adjustments.