Operation CHARM: Car repair manuals for everyone.
Manuals through 2025 now available!

Our trusted friends have launched a new website named LEMON, which has newer manuals. It also contains all the CHARM manuals.

LEMON is the spiritual successor to CHARM, I recommend you try it!

Link: lemon-manuals.la or lemon-manuals.org.ua

(Some people have issue connecting. LEMON is investigating. For now, use Firefox or change your DNS server)

Or, hide this message: temporarily or permanently

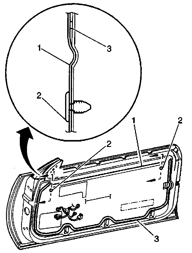
Water Deflector

WATER DEFLECTOR






REMOVAL PROCEDURE
1. Remove the door trim panel. Refer to "Door Trim Panel".
2. Disconnect the electrical connector.
3. Remove the speaker, if equipped.
4. Perform the following steps in order to remove the water deflector (1):
4.1. Remove the fasteners (2).
4.2. Peel the deflector (1) from the door inner panel.

INSTALLATION PROCEDURE
1. Attach the water deflector (1) to the door panel.
2. Carefully pull the electrical connectors through the slits in the water deflector.
3. Install the fasteners (2) to the upper corners of the water deflector (1). The fasteners serve as a guide in order to position the water deflector (1) on the door panel (3).
4. Use a waterproof tape in order to secure any loose areas of the water deflector (1).
5. Install the speaker, if equipped.
6. Install the door trim panel. Refer to "Door Trim Panel".