Operation CHARM: Car repair manuals for everyone.
Manuals through 2025 now available!

Our trusted friends have launched a new website named LEMON, which has newer manuals. It also contains all the CHARM manuals.

LEMON is the spiritual successor to CHARM, I recommend you try it!

Link: lemon-manuals.la or lemon-manuals.org.ua

(Some people have issue connecting. LEMON is investigating. For now, use Firefox or change your DNS server)

Or, hide this message: temporarily or permanently

Keyless Entry Receiver: Service and Repair

REMOVAL PROCEDURE

Remote Control Door Lock Receiver Replacement: Removal Procedure:




1. Remove rear shelf trim from inside of rear storage compartment.
2. Push on retainer at rear edge of bracket and slide towards the driver's side.
3. Disconnect electrical connectors from modules on the bracket.
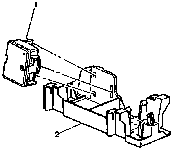
4. Remove RKE module (1) from the bracket (2).

INSTALLATION PROCEDURE

Remote Control Door Lock Receiver Replacement: Installation Procedure:




1. Slide RKE module (1) into bracket (2).
2. Reconnect all electrical connectors.
3. Install bracket to rear shelf.
4. Install rear storage compartment trim.
5. Program RKE module. Refer to Transmitter Programming.