Cruise Control Module: Service and Repair
REMOVAL PROCEDURECruise Control Module Replacement: Removal Procedure:
1. Remove the cruise control cable at engine bracket (3) and throttle body cam (1).
Cruise Control Module Replacement: Removal Procedure:
2. Remove cruise control cable (1) from module assembly connector (3).
3. Remove electrical connector from module assembly.
Cruise Control Module Replacement: Removal Procedure:
4. Remove nuts (2) from mounting studs.
Cruise Control Module Replacement: Removal Procedure:
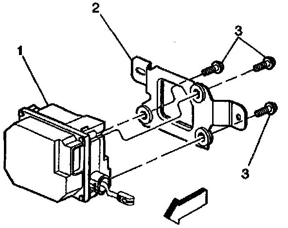
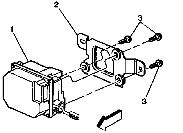
5. Remove the cruise control module bracket (2) from module (1).
INSTALLATION PROCEDURE
Cruise Control Module Replacement: Installation Procedure:
1. Install cruise control module (1) to bracket (2).
2. Install the module to bracket fasteners.
Tighten
Tighten the fasteners to 7.5 N.m (66 lb in).
Cruise Control Module Replacement: Installation Procedure:
3. Install cruise control module (1) onto studs on cowl.
4. Install two nuts (2).
Tighten
Tighten the bracket retaining nuts to 9 N.m (80 lb in).
Cruise Control Module Replacement: Installation Procedure:
5. Connect the electrical connector to module.
6. Install the cruise control cable (1) to module assembly connector (1).
Cruise Control Module Replacement: Installation Procedure:
7. Install the cruise control cable to engine bracket (3) and throttle body cam (1).
8. Adjust the cruise control cable. Refer to Cruise Control Cable Adjustment. Cruise Control Cable Adjustment