Operation CHARM: Car repair manuals for everyone.
Manuals through 2025 now available!

Our trusted friends have launched a new website named LEMON, which has newer manuals. It also contains all the CHARM manuals.

LEMON is the spiritual successor to CHARM, I recommend you try it!

Link: lemon-manuals.la or lemon-manuals.org.ua

(Some people have issue connecting. LEMON is investigating. For now, use Firefox or change your DNS server)

Or, hide this message: temporarily or permanently

Cruise Control Cable Replacement

REMOVAL PROCEDURE

Cruise Control Cable Replacement: Removal Procedure:




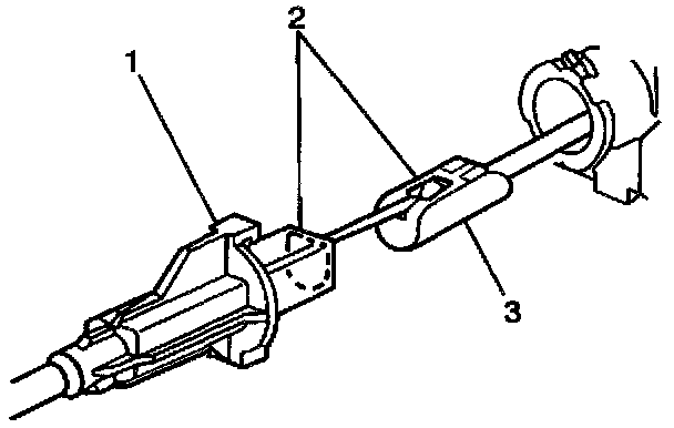
1. Remove the cruise control cable at throttle body cam (1) and throttle body bracket (3).

Cruise Control Cable Replacement: Removal Procedure:




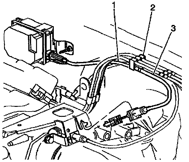
2. Remove the cruise control cable (1) from cruise control module connector (3).

Cruise Control Cable Replacement: Removal Procedure:




3. Remove the cable (1) from retainers (2).

INSTALLATION PROCEDURE

Cruise Control Cable Replacement: Installation Procedure:





IMPORTANT: Note cable routing and retainer position for reference during installation.

1. Install the cruise control cable (1) to cruise control module.

Cruise Control Cable Replacement: Installation Procedure:




2. Install the cable to throttle cam (1) and throttle body bracket (3).

Cruise Control Cable Replacement: Installation Procedure:




3. Install the cable (1) to retainers (2).
4. Adjust the cable. Refer to Cruise Control Cable Adjustment. Cruise Control Cable Adjustment