Operation CHARM: Car repair manuals for everyone.
Manuals through 2025 now available!

Our trusted friends have launched a new website named LEMON, which has newer manuals. It also contains all the CHARM manuals.

LEMON is the spiritual successor to CHARM, I recommend you try it!

Link: lemon-manuals.la or lemon-manuals.org.ua

(Some people have issue connecting. LEMON is investigating. For now, use Firefox or change your DNS server)

Or, hide this message: temporarily or permanently

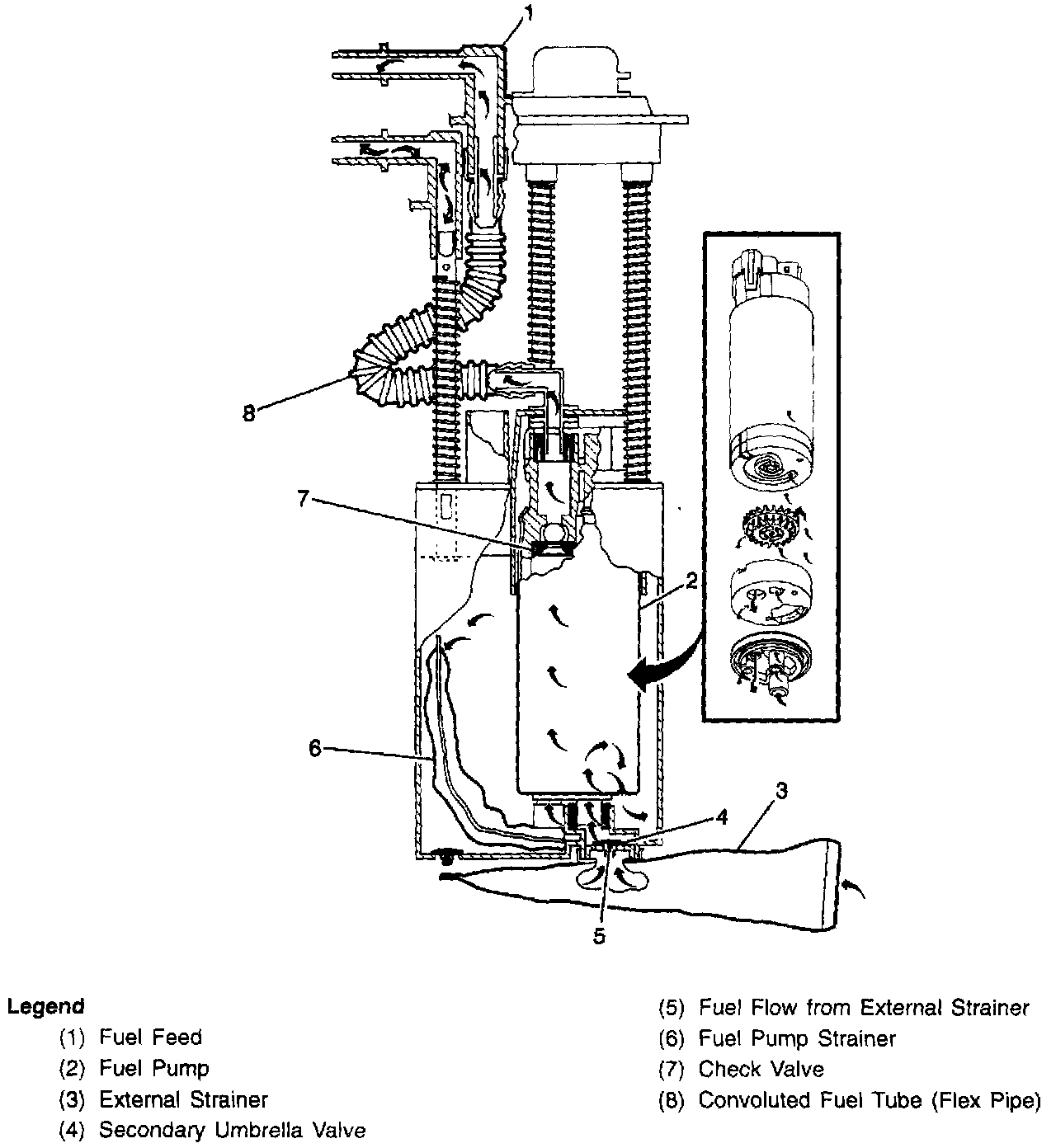
Modular Fuel Sender

Modular Fuel Sender Fuel Flow:





The modular fuel sender assembly consists of the following major components: A fuel sender cover assembly, a fuel sender, fuel pipes (above cover), a fuel sender support assembly, a fuel pump, a fuel pump strainer, a fuel pump reservoir, a fuel sender strainer, and a fuel level sensor assembly.

The modular fuel sender assembly mounts to the threaded opening of the plastic fuel tank with a multi-lipped seal and threaded retainer (nut). The spring loaded reservoir, containing the exterior inlet strainer, electric fuel pump and pump strainer, maintains contact with the tank bottom. This design provides:
^ Optimum fuel level in the integral fuel reservoir during all fuel tank levels and driving conditions.
^ Improved tank fuel level measuring accuracy.
^ Improved coarse straining and added pump inlet filtering.
^ More extensive internal fuel pump isolation for noiseless operation.



Modular Fuel Sender Serviceable Components
The serviceable components on the modular fuel sender are the fuel sender strainer, and the fuel level sensor assembly.

The strainer acts as a coarse filter to: filter contaminants, separate water from fuel, and to provide a wicking action that helps draw fuel into the fuel pump.

Fuel stoppage at the strainer indicates that the fuel tank contains an abnormal amount of sediment or water. Therefore, the fuel tank should be removed, cleaned, and the filter strainer replaced. Refer to Fuel System Cleaning. Service and Repair