Operation CHARM: Car repair manuals for everyone.
Manuals through 2025 now available!

Our trusted friends have launched a new website named LEMON, which has newer manuals. It also contains all the CHARM manuals.

LEMON is the spiritual successor to CHARM, I recommend you try it!

Link: lemon-manuals.la or lemon-manuals.org.ua

(Some people have issue connecting. LEMON is investigating. For now, use Firefox or change your DNS server)

Or, hide this message: temporarily or permanently

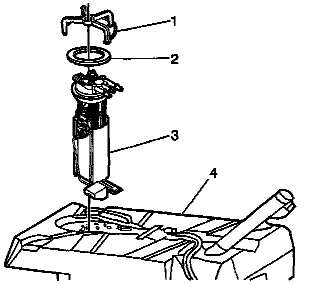
Installation Procedure


Important: Always replace the fuel sender O-ring when reinstalling the fuel sender assembly.




1. Position the new fuel sender assembly O-ring on the fuel tank.

Important: Care should be taken not to fold over or twist the fuel pump strainer when installing the fuel sender assembly as this will restrict fuel flow. Also, assure that the fuel pump strainer does not block full travel of float arm.




2. Reinstall the fuel sender assembly (3) and the fuel sender assembly retainer cam (2) using the J 39765 Fuel Sender Spanner Wrench (1).

3. Connect the electrical connector at the fuel tank pressure sensor.
4. Connect the electrical connector at the fuel sender assembly.
5. Connect the negative battery cable.
6. Inspect for leaks.
Turn the ignition switch ON for 2 seconds.
Turn the ignition switch OFF for 10 seconds.
Turn the ignition switch ON.
Check for fuel leaks.


Notice: Refer to Fastener Notice in Service Precautions.




7. Reinstall the fuel sender access panel (2).
Tighten the fuel sender access panel bolts to 2 N.m (18 lb in).
8. Reinstall the rear compartment floor trim (1).
9. Reinstall the spare tire, the jack, and the spare tire cover.




10. Add fuel and reinstall the fuel tank filler pipe cap (1).
11. Install the rear seat cushion.
12. Reinstall the intake manifold sight shield. Refer to Engine Cover Replacement Service and Repair.