Operation CHARM: Car repair manuals for everyone.
Manuals through 2025 now available!

Our trusted friends have launched a new website named LEMON, which has newer manuals. It also contains all the CHARM manuals.

LEMON is the spiritual successor to CHARM, I recommend you try it!

Link: lemon-manuals.la or lemon-manuals.org.ua

(Some people have issue connecting. LEMON is investigating. For now, use Firefox or change your DNS server)

Or, hide this message: temporarily or permanently

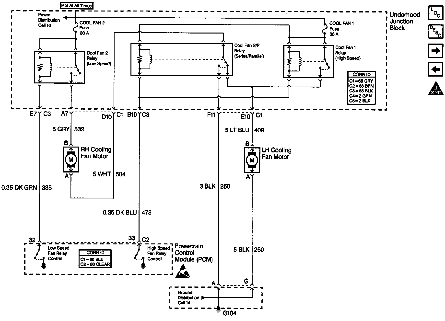
Functional Check - Cooling Fan















Circuit Description
To determine if a fault is present perform the Cooling Fan Functional Check. If DTC P1660 is set, or sets during the functional check, it must be diagnosed before proceeding with any of the symptom tables. When the PCM commands low speed fan operation it grounds Cooling Fan Relay 1 which allows current to flow through both cooling fans in a series circuit to ground. If the PCM commands high speed fan operation it grounds all the cooling fan relays, including Fan Relay 1, which changes the circuit to a parallel circuit to ground. If a fault occurs certain symptoms will occur due to the series/parallel circuit design.

The PCM will command fan operation when:
^ Low Speed Fan Operation
- Engine coolant temperature exceeds approximately 106°C (229°F).
- Transmission fluid temperature exceeds 150°C (302°F).
- A/C operation is requested.
- After the vehicle is shut OFF if the coolant temperature at key-off is more than 151°C (304°F) and system voltage was more than 12 volts. The fans will stay ON for approximately 3 minutes.

The fans will switch from low to OFF when the coolant drops below 102°C (216°F).
^ High Speed Fan Operation
- Engine coolant temperature reaches 112°C (234°F).
- Transmission temperature is more than 151°C (304°F).
- When certain DTCs set.

The fans will switch from high to low (except DTCs set) when the coolant drops below 106°C (229°F).
^ If the cooling fans operate when commanded OFF and DTC P1660 is not set either a cooling fan relay is stuck ON or a cooling tan circuit is shorted to power.
^ Whenever a repair is completed repeat the Cooling Fan Functional Check. This will help diagnose possible multiple failures, for example: two water contaminated relays.

Test Description
Number(s) below refer to the step number(s) on the Functional Table.
1. The Powertrain OBD System Check must be performed first so that mis-diagnosis is avoided, due to the PCM commanding the fans ON due to a DTC set, etc. Testing and Inspection
2. Checking to see if there is a fault on the cooling fan relay control circuits.
3. Checking to see if any A/C DTCs will set. If A/C DTCs set they must be diagnosed before proceeding with the Cooling Fan Functional Check.
5. Commanding fans ON in sequence to determine the symptom (fault-if any) present.