Operation CHARM: Car repair manuals for everyone.
Manuals through 2025 now available!

Our trusted friends have launched a new website named LEMON, which has newer manuals. It also contains all the CHARM manuals.

LEMON is the spiritual successor to CHARM, I recommend you try it!

Link: lemon-manuals.la or lemon-manuals.org.ua

(Some people have issue connecting. LEMON is investigating. For now, use Firefox or change your DNS server)

Or, hide this message: temporarily or permanently

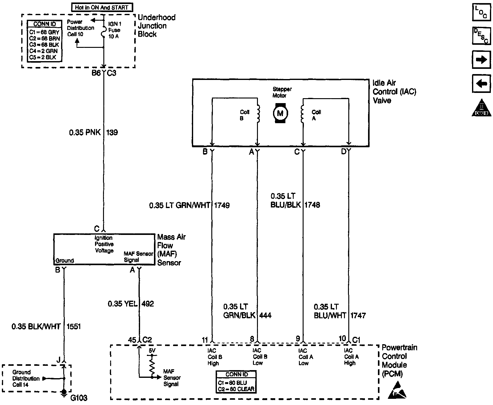
Idle Speed Control Check









Circuit Description
The Idle Speed Control Check verifies proper IAC valve operation.

Diagnostic Aids
Reviewing the Failure Rec. may help diagnose an intermittent failure by showing how long ago and under what conditions a DTC has set.

Test Description
Number(s) below refer to the step number(s) on the Diagnostic Table.
3. This check test the IAC valve to make sure that it is moving in and out without binding. When the IAC valve is commanded the PCM adjusts the IAC position and spark advance for a desired RPM.