Operation CHARM: Car repair manuals for everyone.
Manuals through 2025 now available!

Our trusted friends have launched a new website named LEMON, which has newer manuals. It also contains all the CHARM manuals.

LEMON is the spiritual successor to CHARM, I recommend you try it!

Link: lemon-manuals.la or lemon-manuals.org.ua

(Some people have issue connecting. LEMON is investigating. For now, use Firefox or change your DNS server)

Or, hide this message: temporarily or permanently

Electronic Brake Control Module: Service and Repair

REMOVAL PROCEDURE





CAUTION: Refer to Battery Disconnect Caution in Service Precautions

1. Disconnect the negative battery cable.
2. Remove the air cleaner assembly.
3. Raise the vehicle.

IMPORTANT: The Electronic Brake and Traction Control Module (EBTCM) cannot be repaired. If faulty, it must be replaced as an assembly.

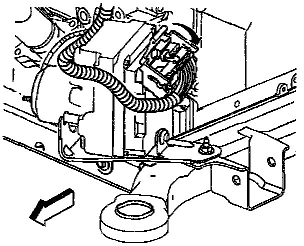
4. Remove the three EBTCM/BPMV assembly bracket nuts.
5. Remove the EBTCM electrical connector.
6. Remove the front insulator and insulator mounting bolt.
7. Remove the four EBTCM to BPMV bolts.

CAUTION: Do not pry the EBTCM from the Brake Pressure Modulator Valve (BPMV) as damage to the seal may result.





8. Separate the EBTCM from the BPMV by gently pulling forward until separated. Be careful not to damage the seal.

INSTALLATION PROCEDURE





1. Raise the vehicle.
2. Clean the seal and BPMV gasket surface with alcohol.

NOTICE: Refer to Fastener Notice in Service Precautions.





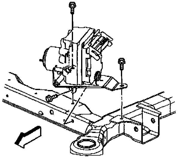
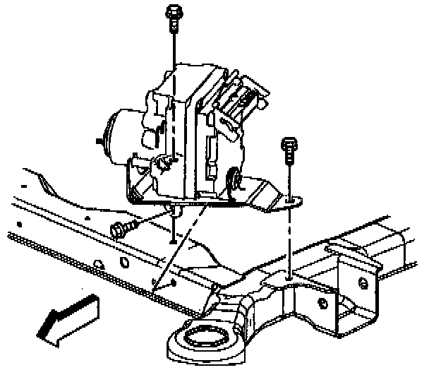
3. Install EBTCM to the BPMV.
^ Tighten the four mounting bolts to 4.5 Nm (40 in. lbs.).
^ Tighten the insulator bolt to 14 Nm (124 in. lbs.).

4. Install the three EBTCM/BPMV assembly bracket nuts.
^ Tighten the bracket nuts to 9 Nm (80 in. lbs.).





5. Install the EBTCM electrical connector. Make sure the EBTCM connector tab is locked down.
6. Install the air cleaner assembly.

CAUTION: Refer to Battery Disconnect Caution in Service Precautions

7. Connect the negative battery cable.

IMPORTANT: When replacing the EBTCM, Magna Steer must be recalibrated. Refer to Variable Effort Steering Programming in Steering.

8. Perform the Diagnostic System Check. Refer to Diagnostic System Check.