Operation CHARM: Car repair manuals for everyone.
Manuals through 2025 now available!

Our trusted friends have launched a new website named LEMON, which has newer manuals. It also contains all the CHARM manuals.

LEMON is the spiritual successor to CHARM, I recommend you try it!

Link: lemon-manuals.la or lemon-manuals.org.ua

(Some people have issue connecting. LEMON is investigating. For now, use Firefox or change your DNS server)

Or, hide this message: temporarily or permanently

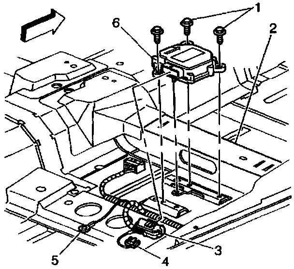
Installation Procedure








1. Install the SDM (6) to the floor sheetmetal (2).

Notice: Refer to Fastener Noise in Cautions and Notices. Fastener Precautions

2. Install the SDM mounting fasteners (1).

Tighten
Tighten fasteners to 9 N.m (80 lb in).

3. Install the SDM harness connector (2) to the SDM (1).
4. Install the Connector Position Assurance (CPA) (3) to the SDM harness (2) connector.
5. Install the passenger carpet retainer. Refer to Carpet Retainer Replacement (Front) in Interior Trim.
6. Install the passenger seat. Refer to Seat Replacement - Front Bucket in Seats.
7. Enable the SIR system. Refer to Enabling the SIR System. Enabling the SIR System