Operation CHARM: Car repair manuals for everyone.
Manuals through 2025 now available!

Our trusted friends have launched a new website named LEMON, which has newer manuals. It also contains all the CHARM manuals.

LEMON is the spiritual successor to CHARM, I recommend you try it!

Link: lemon-manuals.la or lemon-manuals.org.ua

(Some people have issue connecting. LEMON is investigating. For now, use Firefox or change your DNS server)

Or, hide this message: temporarily or permanently

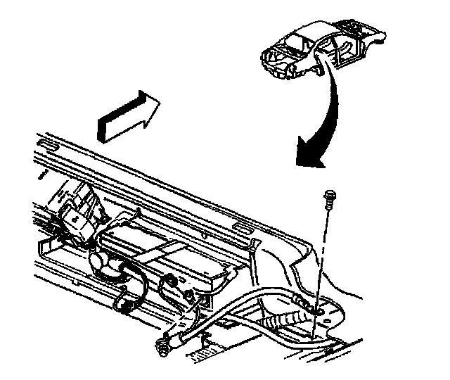
Battery Replacement

BATTERY REPLACEMENT

NOTE: Turn OFF the ignition when connecting or disconnecting the battery cables, the battery charger or the jumper cables. Failure to do so may damage the PCM or other electronic components.

IMPORTANT: Disconnecting the negative battery cable from the battery is recommended when performing many repair procedures. When this is done certain memory functions are lost, such as the sensor/idle learn, radio and clock presets. Devices are available that eliminate the memory loss of the radio and clock by providing just enough current to keep the memory alive, but not enough to cause a shock or burn hazard if contact is made with a current carrying lead or terminal.
- One such device, KS 295A or equivalent, is a 9 volt battery powered device that plugs into the vehicle's cigar lighter. Care should be taken when using 9 volt devices because it is still possible for the vehicle's electrical system voltage to drop enough to cause memory loss if a door is opened and the courtesy lamp switches close. To avoid this problem, remove the fuse for the courtesy lamp circuit prior to disconnecting the vehicle's negative battery cable, providing that no memory devices are powered to that circuit. Also, be sure to use a 9 volts battery in good condition.
- Other devices, such as BT-9027 or equivalent, also plug into the vehicle's cigar lighter but are powered by a 12 volt supply. These devices have an advantage over 9 volt sources. They supply enough electrical current to sustain memory even when the doors are opened and courtesy lights are energized.
- Either memory saving device mentioned can supply enough current to deploy the supplemental inflatable restraint (SIR) air bag which may cause personal injury or otherwise unneeded SIR system repairs. Therefore, always reference the appropriate service manual procedure for the vehicle system being serviced. If specifically directed by the service procedure for the component(s) being serviced, disable and enable the SIR system as outlined in "Disabling the SIR System" and "Enabling the SIR System".

CAUTION: When performing service on or around SIR components or SIR wiring, temporarily disable the SIR system. Refer to appropriate procedures. Failure to follow procedures could result in possible air bag deployment, personal Injury or unneeded SIR system repairs.

REMOVAL PROCEDURE






1. Remove the rear seat.
2. Disconnect the negative battery cable.






3. Disconnect the positive battery cable (1).






4. Remove the battery vent (1) from the floor pan.






5. Remove the battery retainer bolt and battery retainer.
6. Remove the battery.

INSTALLATION PROCEDURE






1. Install the battery.
2. Install the retainer and bolt.

Tighten
Tighten the bolt to 18 Nm (13 lb ft).






3. Connect the positive battery cable.

Tighten
Tighten the positive battery cable bolt to 15 Nm (11 lb ft).






4. Connect the negative battery cable.

Tighten
Tighten the negative battery cable bolt to 15 Nm (11 lb ft).

5. Install the rear seat.