Control Module HVAC: Service and Repair
REMOVAL PROCEDURECAUTION: Refer to Battery Disconnect Caution in Service Precautions.
1. Disconnect the negative battery cable.
2. Remove the right sound insulator.
3. Remove the instrument panel compartment.
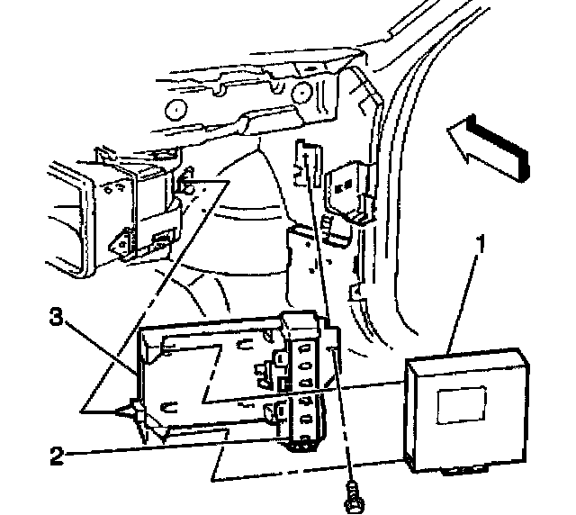
4. Disconnect the vacuum and electrical connectors from the programmer (1).
5. Remove the programmer (1) from the vehicle.
INSTALLATION PROCEDURE
1. Install the programmer (1) to the vehicle.
2. Connect the vacuum and electrical connectors to the programmer (1).
3. Install the right sound insulator.
4. Install the instrument panel compartment.
5. Connect the negative battery cable.