Operation CHARM: Car repair manuals for everyone.
Manuals through 2025 now available!

Our trusted friends have launched a new website named LEMON, which has newer manuals. It also contains all the CHARM manuals.

LEMON is the spiritual successor to CHARM, I recommend you try it!

Link: lemon-manuals.la or lemon-manuals.org.ua

(Some people have issue connecting. LEMON is investigating. For now, use Firefox or change your DNS server)

Or, hide this message: temporarily or permanently

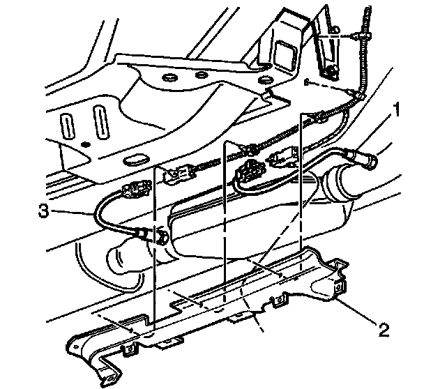
Catalytic Converter: Service and Repair

Removal Procedure

Notice: The Heated Oxygen Sensor (H02S) uses a permanently attached pigtail and connector. Do not remove this pigtail from the Heated Oxygen Sensor. Damage or the removal of the pigtail or the connector could affect the proper operation of the sensor.

1. Remove the oxygen sensor. Refer to H02S Replacement (Pre and Post Converter) Oxygen Sensor Replacement in Powertrain Management.
2. Remove the heat shield retaining bolts.





3. Remove the oxygen sensor connector from the shield (2).
4. Remove the heat shield.

Installation Procedure





1. Install the heat shield.
2. Install the oxygen sensor.
3. Install the oxygen sensor connector on the shield (2).
4. Install the heat shield retaining bolts on the vehicle.