Operation CHARM: Car repair manuals for everyone.
Manuals through 2025 now available!

Our trusted friends have launched a new website named LEMON, which has newer manuals. It also contains all the CHARM manuals.

LEMON is the spiritual successor to CHARM, I recommend you try it!

Link: lemon-manuals.la or lemon-manuals.org.ua

(Some people have issue connecting. LEMON is investigating. For now, use Firefox or change your DNS server)

Or, hide this message: temporarily or permanently

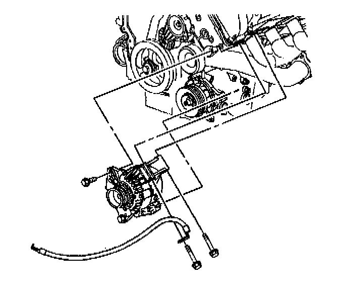
Repair Instructions

REMOVAL PROCEDURE




CAUTION: Refer to Battery Disconnect Caution in Cautions and Notices.

1. Disconnect the negative battery cable.
2. Remove the accessory drive belt.
3. Remove the radiator.
4. Remove the air conditioning condenser.
5. Raise and suitably support the vehicle. Refer to Lifting and Jacking the Vehicle Lifting and Jacking the Vehicle.
6. Disconnect the coolant outlet hose (1) from the generator.




7. Disconnect the coolant inlet hose (1) from the generator.




8. Disconnect the following electrical connections from the generator:
^ Regulator
^ Battery output
^ Heated windshield (if equipped).




9. Remove the generator fasteners from the generator.
10. Remove the generator from the vehicle.

INSTALLATION PROCEDURE




1. Install the generator to the engine.

NOTE: Refer to Fastener Notice in Cautions and Notices.

2. Install the generator fasteners.

Tighten
Tighten the generator fasteners to 50 N.m (37 lb ft).




3. Connect the following electrical connections to the generator:
^ Regulator
^ Battery output

Tighten
Tighten the battery output cable to 20 N.m (15 lb ft)

^ Heated windshield (if equipped).
4. Connect the coolant inlet hose to the generator.




5. Connect the coolant outlet hose to the generator.
6. Lower the vehicle. Refer to Lifting and Jacking the Vehicle Lifting and Jacking the Vehicle.
7. Install the radiator.
8. Install the air conditioning condenser.
9. Install the accessory drive belt.
10. Connect the negative battery cable.