Operation CHARM: Car repair manuals for everyone.
Manuals through 2025 now available!

Our trusted friends have launched a new website named LEMON, which has newer manuals. It also contains all the CHARM manuals.

LEMON is the spiritual successor to CHARM, I recommend you try it!

Link: lemon-manuals.la or lemon-manuals.org.ua

(Some people have issue connecting. LEMON is investigating. For now, use Firefox or change your DNS server)

Or, hide this message: temporarily or permanently

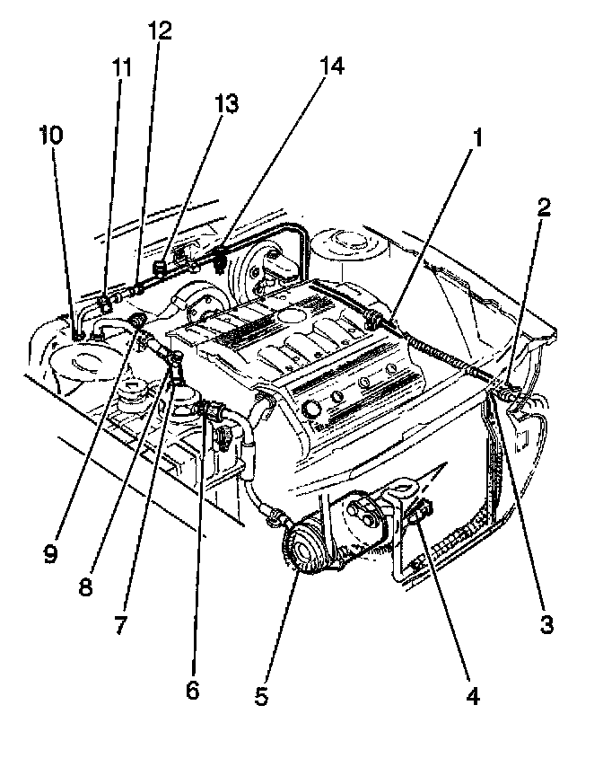
High Pressure Switch

REMOVAL PROCEDURE




1. Raise and support the vehicle.
2. Remove the compressor splash shield (2) and retainers (1).
3. Remove the switch electrical connector.




4. Unscrew the switch (4) from the line.

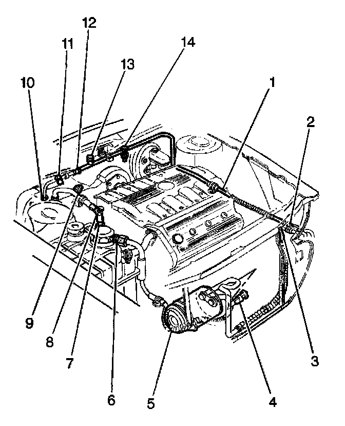
INSTALLATION PROCEDURE




1. Install the switch (4) to the line.
2. Install the electrical connector to the switch (4).




3. Install the compressor splash shield (2) and retainers (1).
4. Lower the vehicle.