Operation CHARM: Car repair manuals for everyone.
Manuals through 2025 now available!

Our trusted friends have launched a new website named LEMON, which has newer manuals. It also contains all the CHARM manuals.

LEMON is the spiritual successor to CHARM, I recommend you try it!

Link: lemon-manuals.la or lemon-manuals.org.ua

(Some people have issue connecting. LEMON is investigating. For now, use Firefox or change your DNS server)

Or, hide this message: temporarily or permanently

Compressor Clutch Hub: Service and Repair

COMPRESSOR CLUTCH PLATE/HUB ASSEMBLY REPLACEMENT

REMOVAL PROCEDURE

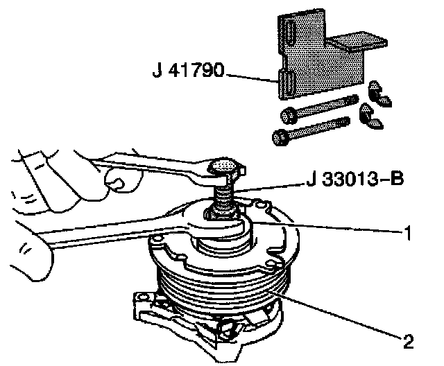
TOOLS REQUIRED
^ J 41790 Compressor Holding Fixture
^ J 33013-B Clutch Plate and Hub Assembly Installer-Remover




1. Remove the compressor from the vehicle.
2. Use the Compressor Holding Fixture HD-6 tool in order to hold the compressor in a the vise.
3. Use both thumb screws in order to attach the compressor to the holding fixture.
4. Install the compressor into a vise.
5. Remove the shaft protector from the clutch hub shaft.

NOTE: Do not drive or pound on the clutch hub or shaft. Internal damage to the compressor may result. The forcing tip on the J 33013-B remover/installer center screw must be flat or the end of the shaft/axial plate assembly will be damaged.

6. Ensure that the center screw forces the tip to thrust against the end of the shaft.




7. Thread the J 33013-B into the hub.
8. While holding the body of J 33013-B of the remover with a wrench turn the center screw into the remover body in order to remove the clutch plate and hub assembly.
9. Remove the shaft key. Retain the shaft key for reassembly.
10. Remove the old clutch plate and hub assembly (2) from the compressor.

INSTALLATION PROCEDURE




1. Install the shaft key (4) into the hub key groove.
Allow the key to project approximately 3.2 mm (0.125 in) out of the keyway (3). The shaft key curves slightly in order to provide an interference fit in the hub key groove.
2. Clean the following components:
^ The clutch plate
^ The clutch rotor (2)
3. Align the shaft key (4) with the shaft keyway (3).
4. Place the clutch plate and the hub assembly (1) onto the compressor shaft.




5. Install the forcing tip on the J 33013-B.
6. Reverse the body direction on the center screw.
7. Install the J 33013-B with the bearing.
8. Back off The body of the J 33013-B as necessary in order to permit the center screw to be threaded onto the end of the compressor shaft.
9. Hold the center screw with a wrench.
10. Tighten the hex portion of the J 33013-B body in order to press the hub (2) onto the shaft.
11. Tighten the body several turns.




12. Install the clutch plate and hub assembly to the final position.
Ensure that the air gap between frictional surfaces of the clutch plate and clutch rotor measures within 3.81-0.51 mm (0.15-0.20 in).
13. Check the clutch plate and hub assembly in three (3) places for clearance.
14. Remove the installer. Ensure that the shaft key remains in place in the keyway.
15. Remove the J 33013-B.
16. Verify proper positioning of the shaft key.
Ensure that the shaft key is even with or slightly above the clutch hub.
17. Spin the pulley rotor by hand in order to verify that the rotor does not rub against the clutch drive plate.




18. Install the shaft protector to the clutch hub shaft.
19. Remove both thumb screws from the compressor holding fixture Compressor Holding Fixture HD-6.
20. Remove the Compressor Holding Fixture HD-6 tool from the vise.
21. Install the compressor to the vehicle.