Operation CHARM: Car repair manuals for everyone.
Manuals through 2025 now available!

Our trusted friends have launched a new website named LEMON, which has newer manuals. It also contains all the CHARM manuals.

LEMON is the spiritual successor to CHARM, I recommend you try it!

Link: lemon-manuals.la or lemon-manuals.org.ua

(Some people have issue connecting. LEMON is investigating. For now, use Firefox or change your DNS server)

Or, hide this message: temporarily or permanently

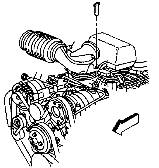
Air Flow Meter/Sensor: Service and Repair

REMOVAL PROCEDURE

NOTE: Handle the MAF sensor carefully. Do not drop the MAF sensor. Do not damage the screen located at the air inlet end of the MAF. Do not touch the sensing elements. Do not allow solvents and lubricants to come in contact with the sensing elements. Use a small amount of SPO P/N 12345884 lubricant or the soap based equivalent in order to aid in the installation.

CAUTION: Refer to Battery Disconnect Caution in Service precautions.




1. Disconnect the negative battery cable.
2. Disconnect the Mass Air Flow (MAF) sensor harness connector.




3. Remove the intake air resonator retaining wingnut.




4. Remove the intake air resonator from the throttle body by pivoting the intake air resonator upward until the hinge clip releases from the lip on the throttle body.




5. Disconnect the MAF sensor from the air cleaner cover and intake air resonator by loosening the hose clamps.
6. Carefully remove the MAF sensor.

INSTALLATION PROCEDURE

NOTE: Refer to Fastener Notice in Service Precautions.

IMPORTANT: Ensure that the MAF sensor flow arrows point away from the air cleaner assembly.




1. Attach the MAF sensor to the intake air resonator and air cleaner cover by tightening the hose clamps.

Tighten
Tighten the clamps to 4 N.m (35 lb in.).




2. Connect the MAF sensor harness connector.




3. Align the hinge clip with the lip on the throttle body.
Install the intake air resonator to the throttle body by pivoting the intake air resonator downward until the mounting stud is through the hole in the intake air resonator.




4. Install the intake air resonator retaining wingnut.
5. Connect the negative battery cable.