Operation CHARM: Car repair manuals for everyone.
Manuals through 2025 now available!

Our trusted friends have launched a new website named LEMON, which has newer manuals. It also contains all the CHARM manuals.

LEMON is the spiritual successor to CHARM, I recommend you try it!

Link: lemon-manuals.la or lemon-manuals.org.ua

(Some people have issue connecting. LEMON is investigating. For now, use Firefox or change your DNS server)

Or, hide this message: temporarily or permanently

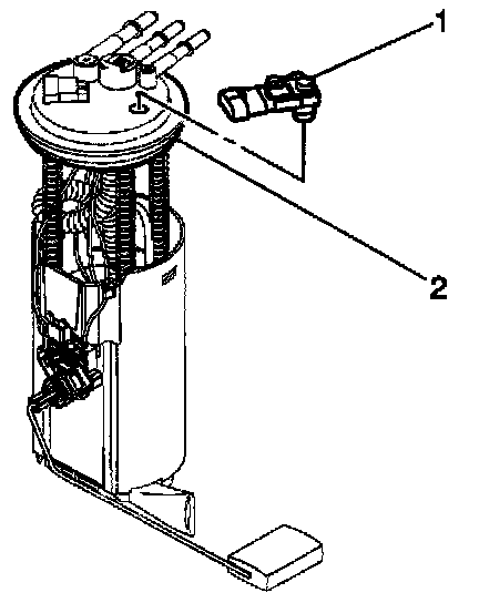
Fuel Tank Pressure Sensor: Service and Repair




REMOVAL PROCEDURE

CAUTION: Refer to Battery Disconnect Caution in Service Precautions.

1. Disconnect the negative battery cable.
2. Relieve the fuel pressure. Refer to Fuel Pressure Relief Procedure. Service and Repair
3. Drain the fuel tank. Refer to Fuel Tank Draining Procedure. Procedures
4. Remove the fuel tank.
5. Disconnect the fuel tank pressure sensor electrical connector.
6. Remove the fuel tank pressure sensor (1) from the fuel sender assembly (2).

INSTALLATION PROCEDURE
1. Install the fuel tank pressure sensor (1) on the fuel sender assembly (2).
2. Connect the fuel tank pressure sensor electrical connector.
3. Install the fuel tank.
4. Refill the fuel tank.
5. Connect the negative battery cable.
6. Install the fuel filler cap.
7. Inspect for leaks.
7.1. Turn ON the ignition for 2 seconds.
7.2. Turn OFF the ignition for 10 seconds.
7.3. Turn ON the ignition.
7.4. Inspect for fuel leaks.