Operation CHARM: Car repair manuals for everyone.
Manuals through 2025 now available!

Our trusted friends have launched a new website named LEMON, which has newer manuals. It also contains all the CHARM manuals.

LEMON is the spiritual successor to CHARM, I recommend you try it!

Link: lemon-manuals.la or lemon-manuals.org.ua

(Some people have issue connecting. LEMON is investigating. For now, use Firefox or change your DNS server)

Or, hide this message: temporarily or permanently

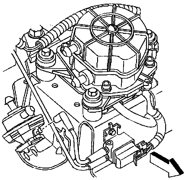
Air Injection Control Valve: Service and Repair

REMOVAL PROCEDURE

CAUTION: Refer to Battery Disconnect Caution in Service Precautions.




1. Disconnect the negative battery cable.
2. Remove the inlet and outlet hoses from the air shut off valve.




3. Disconnect the vacuum hose from the air shut off valve.




4. Remove the air shut off valve retainer screw.




5. Remove the air shut off valve from the air pump.

INSTALLATION PROCEDURE




1. Install the air shut off valve on the air pump.




2. Install the air shut off valve retainer screw.




3. Connect the vacuum hose to the air shut off valve.




4. Install the inlet and outlet hoses on air shut off valve.