Operation CHARM: Car repair manuals for everyone.
Manuals through 2025 now available!

Our trusted friends have launched a new website named LEMON, which has newer manuals. It also contains all the CHARM manuals.

LEMON is the spiritual successor to CHARM, I recommend you try it!

Link: lemon-manuals.la or lemon-manuals.org.ua

(Some people have issue connecting. LEMON is investigating. For now, use Firefox or change your DNS server)

Or, hide this message: temporarily or permanently

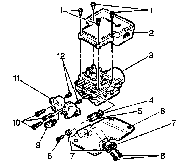
Electronic Brake Control Module: Service and Repair

Removal Procedure





Important: After installation, calibrate the new EBCM to the tire size that is appropriate to the vehicle. Refer to Tire Size Calibration and to Trim Level Calibration portions of ABS Operation.

Caution: Refer to Battery Disconnect Caution in Service Precautions.

1. Disconnect the Negative Battery Cable.
2. Remove the four T-25 Torx screws (1) that fasten the EBCM to the BPMV.

Important: Do not use a tool to pry the EBCM or the BPMV. Excessive force will damage the EBCM.

3. Partially remove the EBCM (2) from the BPMV (3) enough to access the electrical connectors. Removal may require a light amount of force.
4. Disconnect the four electrical connectors from EBCM.
5. Fully remove the EBCM (2) from the BPMV (3).

Installation Procedure





Important: Do not reuse the old mounting screws. Always install new mounting screws with the new EBCM.

Important: Do not use RTV or any other type of sealant on the EBCM gasket or mating surfaces.

1. Install EBCM (2) on to the BPMV (3).
2. Connect the four electrical connectors to the EBCM.

Notice: Refer to Fastener Notice in Service Precautions.

3. Install the four new T-25 Torx screws (1) in the EBCM (2).

^ Tighten the four T-25 Torx screws to 5 Nm (39 inch lbs.) in an X-pattern.

4. Connect the negative battery cable.
5. Revise the tire calibration using the Scan Tool.
6. Return to A Diagnostic System Check.