Operation CHARM: Car repair manuals for everyone.
Manuals through 2025 now available!

Our trusted friends have launched a new website named LEMON, which has newer manuals. It also contains all the CHARM manuals.

LEMON is the spiritual successor to CHARM, I recommend you try it!

Link: lemon-manuals.la or lemon-manuals.org.ua

(Some people have issue connecting. LEMON is investigating. For now, use Firefox or change your DNS server)

Or, hide this message: temporarily or permanently

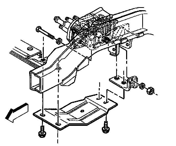
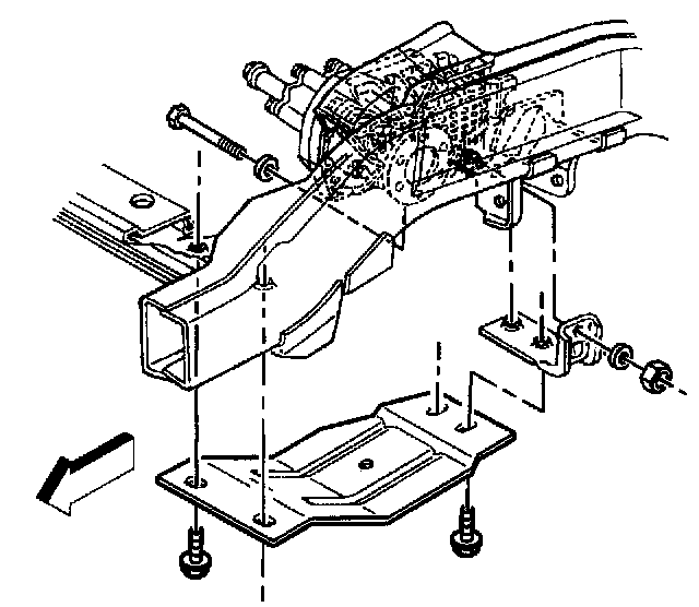
Shield Replacement


Removal Procedure





1. Remove the bolts.
2. Remove the front differential carrier shield.

Installation Procedure





1. Install the front differential carrier shield.

Notice: Refer to Fastener Notice in Service Precautions.

2. Install the bolts.
Tighten the bolts to 34 Nm (25 ft. lbs.).