Operation CHARM: Car repair manuals for everyone.
Manuals through 2025 now available!

Our trusted friends have launched a new website named LEMON, which has newer manuals. It also contains all the CHARM manuals.

LEMON is the spiritual successor to CHARM, I recommend you try it!

Link: lemon-manuals.la or lemon-manuals.org.ua

(Some people have issue connecting. LEMON is investigating. For now, use Firefox or change your DNS server)

Or, hide this message: temporarily or permanently

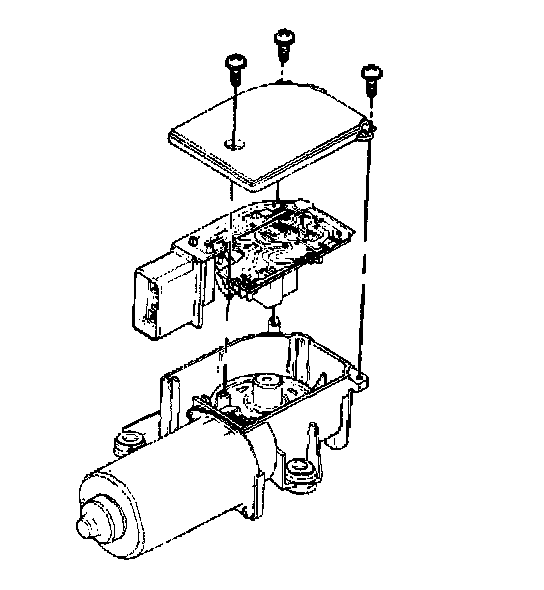
Wiper Motor Module Replacement




REMOVAL PROCEDURE
1. Disconnect the electrial connector from the wiper motor.
2. Remove the three screws and the wiper motor cover.
3. Remove the module from the wiper motor.

INSTALLATION PROCEDURE
1. Install the module in the wiper motor.

NOTE: Refer to Fastener Notice in Service Precautions.

2. Install the wiper motor cover with the three screws.

Tighten
Tighten the three screws to 2.6 N.m (23 lb in).

3. Connect the electrial connector to the wiper motor.