Operation CHARM: Car repair manuals for everyone.
Manuals through 2025 now available!

Our trusted friends have launched a new website named LEMON, which has newer manuals. It also contains all the CHARM manuals.

LEMON is the spiritual successor to CHARM, I recommend you try it!

Link: lemon-manuals.la or lemon-manuals.org.ua

(Some people have issue connecting. LEMON is investigating. For now, use Firefox or change your DNS server)

Or, hide this message: temporarily or permanently

Compressor HVAC: Service and Repair

COMPRESSOR REPLACEMENT

REMOVAL PROCEDURE

TOOLS REQUIRED
J 39500-B A/C Refrigerant Recovery, Recycling and Recharging System




1. Recover the refrigerant from the system. Refer to Refrigerant Recovery and Recharging. Service and Repair
2. Disconnect the negative battery cable.
3. Remove the accessory drive belt.
4. Remove the front air deflector.
5. Raise and support the vehicle. Refer to Lifting and Jacking the Vehicle in General Information.
6. Install the right front tire.
7. Remove the right wheelhouse extension. Refer to Fascia Extension Replacement-Front in Body Front End.
8. Remove the right side AIR pump.
9. Disconnect the brake line retaining clip from the frame in order to allow movement of the brake lines during removal of the A/C compressor.
10. Disconnect the suction hose fitting from the compressor.

IMPORTANT: Seal the A/C compressor suction and discharge ports after the hoses are removed in order to keep contaminants from entering the A/C compressor, and to keep oil from draining out of the A/C compressor during removal.

All A/C lines, hoses and components should always be sealed after component removal in order to avoid excessive moisture contamination to the A/C system during servicing.




11. Disconnect the discharge hose fitting from the compressor.




12. Disconnect the compressor electrical connector.




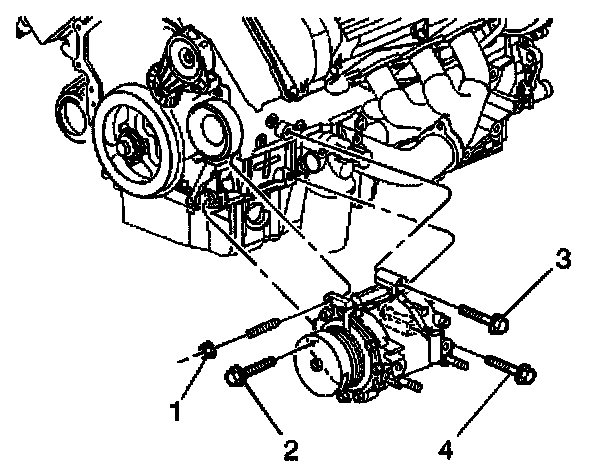
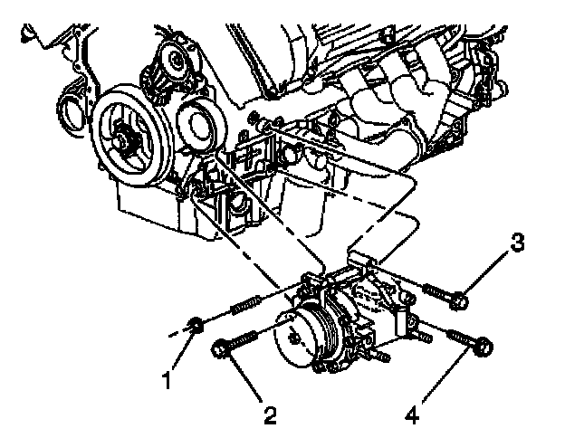
13. Remove the A/C compressor mounting fasteners (1,2,3,4).




14. Remove the A/C Compressor (2) mounting stud (1).




15. Rotate the A/C compressor, in order to allow the A/C compressor to exit through the wheelhouse extension opening.
16. Remove the A/C compressor.

INSTALLATION PROCEDURE

TOOLS REQUIRED
J 39400-A Electronic Halogen Leak Detector




1. Install the compressor through the wheelhouse extension opening.
2. Rotate the compressor in order to fit the compressor though the wheel house extension opening.




3. Install A/C compressor (2) mounting stud (1).




4. Install the A/C compressor mounting fasteners (1, 2, 3, 4) and hand tighten the fasteners.

NOTE: Refer to Fastener Notice in Service Precautions.Service Precautions

Tighten
Tighten the fasteners in the following sequence:
4.1. Tighten the A/C compressor mounting nut (1) to 50 N.m (37 lb ft).
4.2. Tighten the A/C compressor mounting bolts (2,3) to 50 N.m (37 lb ft).
4.3. Tighten the last A/C compressor mounting bolt (4) to 25 N.m (18 lb ft).




5. Connect the compressor electrical connector.




6. Connect the discharge hose fitting to the compressor.

Tighten
Tighten the discharge hose fitting to the compressor to 20 N.m (15 lb ft).




7. Connect the suction hose fitting to the compressor.

NOTE: Refer to Fastener Notice in Service Precautions.Service Precautions

Tighten
Tighten the suction hose fitting to the compressor to 20 N.m (15 lb ft).

8. Connect the brake lines and the retaining clips to the frame.
9. Install the accessory drive belt.
10. Install the right side AIR pump.
11. Install the wheelhouse extension. Refer to Fascia Extension Replacement - Front in Body Front End.
12. Install the front air deflector.
13. Reinstall the right front tire. Refer to Tire and Wheel Removal and Installation in Tires and Wheels.
14. Lower the vehicle. Refer to Lifting and Jacking the Vehicle in General Information.
15. Reconnect the negative battery cable.
16. Recharge the A/C system. Refer to Refrigerant Recovery and Recharging. Service and Repair
17. Leak test the A/C system. Refer to Leak Testing.Leak Testing - HVAC System - Automatic