Operation CHARM: Car repair manuals for everyone.
Manuals through 2025 now available!

Our trusted friends have launched a new website named LEMON, which has newer manuals. It also contains all the CHARM manuals.

LEMON is the spiritual successor to CHARM, I recommend you try it!

Link: lemon-manuals.la or lemon-manuals.org.ua

(Some people have issue connecting. LEMON is investigating. For now, use Firefox or change your DNS server)

Or, hide this message: temporarily or permanently

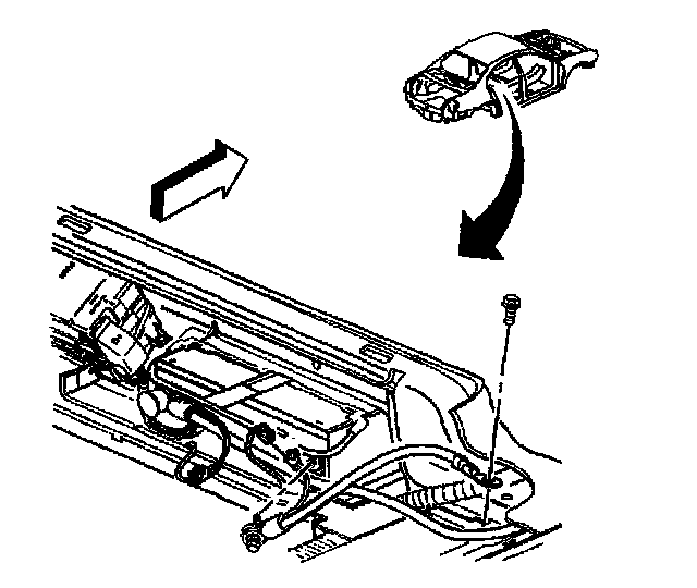
Battery Cable Replacement

REMOVAL PROCEDURE




1. Remove the rear seat cushion.
2. Disconnect the negative battery cable from the battery.
3. Disconnect the body harness from the negative battery cable.
4. Disconnect the negative battery cable from the floor pan.
5. Remove the negative battery cable from the vehicle.

INSTALLATION PROCEDURE

IMPORTANT: When installing the negative battery cable, be sure that the cable eyelet is installed with the flat side down. Keep the crimped side facing upward.

NOTE: Refer to Fastener Notice in Service Precautions.




1. Connect the body end of the negative battery cable to the floor pan.

Tighten
Tighten the bolt to 15 N.m (11 lb ft).

2. Connect the body harness connector to the body harness.
3. Connect the negative battery cable to the battery.
4. Install the rear seat cushion.