Operation CHARM: Car repair manuals for everyone.
Manuals through 2025 now available!

Our trusted friends have launched a new website named LEMON, which has newer manuals. It also contains all the CHARM manuals.

LEMON is the spiritual successor to CHARM, I recommend you try it!

Link: lemon-manuals.la or lemon-manuals.org.ua

(Some people have issue connecting. LEMON is investigating. For now, use Firefox or change your DNS server)

Or, hide this message: temporarily or permanently

Alternator: Service and Repair

REMOVAL PROCEDURE




1. Disconnect the negative battery cable from the battery.
2. Remove the accessory drive belt.
3. Remove the cooling fans.
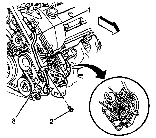
4. Disconnect the generator cooler outlet hose (1) from the generator (3).
5. Remove the generator cooler outlet hose retaining bolt (2).




6. Disconnect the generator cooler inlet hose (2) from the generator (1).




7. Disconnect the following electrical connections from the generator:
^ Regulator
^ Battery output
^ Heated windshield (if equipped)




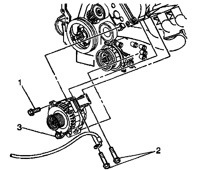
8. Loosen the lower generator bolt (3).
9. Remove the generator bolts (1, 2) from the generator.
10. Remove the generator from the vehicle.

INSTALLATION PROCEDURE




1. Install the generator to the engine.

NOTE: Refer to Fastener Notice in Service Precautions.

2. Install the generator bolts (1,2,3).

Tighten
Tighten the bolts to 50 N.m (37 lb ft).




3. Connect the following electrical connections to the generator:
^ Regulator
^ Battery output

Tighten
Tighten the battery output cable to 13 N.m (115 lb in).

^ Heated windshield (if equipped)




4. Connect the generator cooler inlet hose (2) to the generator (1).




5. Connect the generator cooler outlet hose (1) to the generator (3).
6. Install the generator cooler outlet hose retaining bolt (2) to the generator (3).

Tighten
Tighten the bolt to 9 N.m (80 lb in).

7. Install the cooling fans.
8. Install the accessory drive belt.
9. Connect the negative battery cable from the battery.