Operation CHARM: Car repair manuals for everyone.
Manuals through 2025 now available!

Our trusted friends have launched a new website named LEMON, which has newer manuals. It also contains all the CHARM manuals.

LEMON is the spiritual successor to CHARM, I recommend you try it!

Link: lemon-manuals.la or lemon-manuals.org.ua

(Some people have issue connecting. LEMON is investigating. For now, use Firefox or change your DNS server)

Or, hide this message: temporarily or permanently

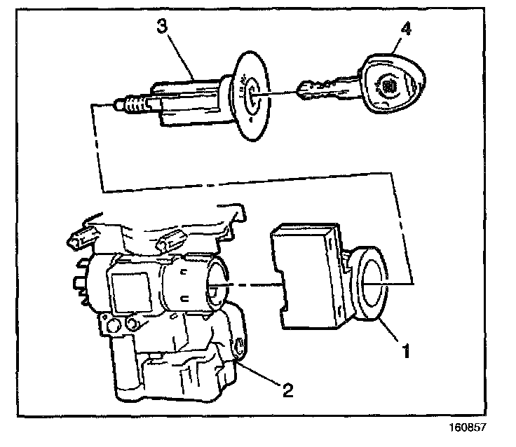
Theft Deterrent Control Module Replacement

REMOVAL PROCEDURE
1. Disable the supplemental inflatable restraint (SIR) system.
2. Remove the screw covers from the upper steering column shroud.
3. Remove the screws from the upper steering column shroud.
4. Remove the upper steering column shroud.
5. Carefully unscrew the steering wheel tilt lever from the tilt mechanism.
6. Remove the rubber protective cover from the lock cylinder.
7. Remove the screws from the lower steering column shroud.
8. Remove the lower steering column shroud.




9. Grasp the theft deterrent module (1) and pull off of the ignition lock cylinder housing. You do NOT have to remove the ignition lock cylinder first.
10. Remove the wiring harness connector from the immobilizer control module.

INSTALLATION PROCEDURE




1. Install the wiring harness connector to the immobilizer control module.
2. Install the theft deterrent module (1) and snap in place.
3. Install the lower steering column shroud.

NOTE: Refer to Fastener Notice in Service Precautions.

4. Install the screws to the lower steering column shroud.

Tighten
Tighten the screws to 3 N.m (27 lb in).

5. Install the rubber protective cover to the lock cylinder.
6. Use medium strength locking compound GM P/N 12345382 or equivalent in order to coat the steering wheel tilt lever.
7. Install the steering wheel tilt lever.
8. Install the upper steering column shroud.
9. Install the screws to the upper steering column shroud.

Tighten
Tighten the screws to 3 N.m (27 lb in).

10. Install the screw covers to the upper steering column shroud.
11. Enable the SIR system.

IMPORTANT: The vehicle may not start and a DTC 13 may set if the module is not programmed properly.

Program new immobilizers with the security code, engine type, key cylinder number and the VIN.

U.S. dealers may obtain the security code and the key cylinder number from the vehicle invoice or by calling GM TRACS 2000 (1-800-433-6961). GM of Canada dealers can obtain the information from the vehicle invoice.

12. Use the scan tool in order to program the immobilizer:
12.1. On the Immobilizer Menu of the scan tool, select F3: Special Functions.
12.2. Select F4: Program Immobilizer.
12.3. Follow the on-screen instructions.
13. Use the scan tool to program the keys and relearn the ECM to the new immobilizer's frequency code. Programming and Relearning