Operation CHARM: Car repair manuals for everyone.
Manuals through 2025 now available!

Our trusted friends have launched a new website named LEMON, which has newer manuals. It also contains all the CHARM manuals.

LEMON is the spiritual successor to CHARM, I recommend you try it!

Link: lemon-manuals.la or lemon-manuals.org.ua

(Some people have issue connecting. LEMON is investigating. For now, use Firefox or change your DNS server)

Or, hide this message: temporarily or permanently

Electronic Brake Control Module: Service and Repair

Electronic Brake Control Module (EBCM) Replacement

Removal Procedure

1. Turn OFF the ignition.
2. Raise the vehicle. Refer to Vehicle Lifting.
3. Remove the left front wheel.
4. Remove the left front fascia extension.

Important: The area around the Electronic Brake Control Module (EBCM) must be free from dirt to prevent contamination of disassembled ABS components.

5. Thoroughly wash all contaminants from and around the EBCM.
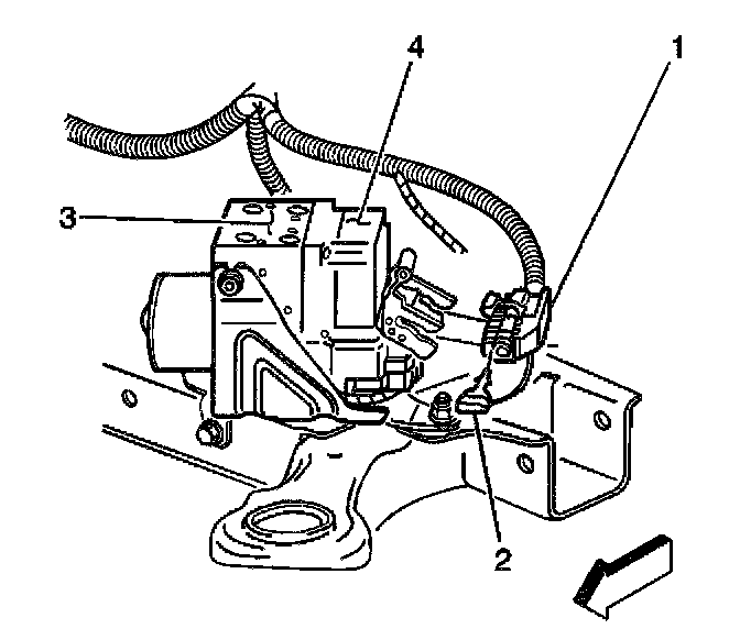
6. Rotate the EBCM connector tab up to the unlocked position.





7. Remove the EBCM connector position assurance (2) from the EBCM electrical connector (1).

Notice: To prevent equipment damage, never connect or disconnect the wiring harness connection from the EBCM with the ignition switch in the ON position.

8. Disconnect the EBCM electrical connector (1) from the EBCM (4).





9. Disconnect the brake pressure modulator valve (BPMV) pump motor harness pigtail electrical connector (2) from the EBCM (3).





10. Remove the 6 EBCM to BPMV screws (2).
11. Clean the surface of the EBCM/BPMV assembly.

Important: The EBCM cannot be repaired. If faulty, the unit must be replaced.





12. Separate the EBCM (2) from the BPMV (1).

Installation Procedure

1. Clean the seal surface of the BPMV.





2. Install the EBCM (2) to the BPMV (1).

Notice: Refer to Fastener Notice in Service Precautions.





3. Install the 6 EBCM to BPMV screws (2).
Tighten the 6 screws to 3.2 Nm (28 inch lbs.).





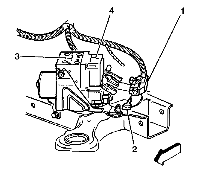
4. Connect the BPMV pump motor harness pigtail electrical connector (2) to the EBCM (3).

Notice: To prevent equipment damage, never connect or disconnect the wiring harness connection from the EBCM with the ignition switch in the ON position.





5. Connect the EBCM electrical connector (1) to the EBCM (4).
6. Install the EBCM connector position assurance (2) to the EBCM electrical connector (1).





7. Rotate the EBCM connector tab (2) down to the locked position.
8. Install the left front fascia extension.
9. Install the left front wheel.
10. Lower the vehicle. Refer to Vehicle Lifting.

Important: An unprogrammed EBCM will result in the following conditions:
^ Inoperative or poorly functioning DRP/ABS/TCS/VSES (if equipped)
^ Set DTC C1248 EBCM Turned On the Red Brake Warning Indicator
^ Set DTC C1255m3 EBCM Internal Malfunction

11. If a replacement EBCM is being installed, it must be programmed using the latest software matching the vehicle. Please contact your local dealer regarding this procedure.
12. Use the scan tool in order to clear the DTCs.
13. Perform the ABS Diagnostic System Check. Refer to Diagnostic System Check - ABS