Operation CHARM: Car repair manuals for everyone.
Manuals through 2025 now available!

Our trusted friends have launched a new website named LEMON, which has newer manuals. It also contains all the CHARM manuals.

LEMON is the spiritual successor to CHARM, I recommend you try it!

Link: lemon-manuals.la or lemon-manuals.org.ua

(Some people have issue connecting. LEMON is investigating. For now, use Firefox or change your DNS server)

Or, hide this message: temporarily or permanently

Cruise Control Module: Service and Repair

CRUISE CONTROL MODULE REPLACEMENT

REMOVAL PROCEDURE

CAUTION: Do not use the cruise control on slippery roads, steeply graded roads, or in heavy traffic of heavy or varying volume. Failure to follow these CAUTIONS could possibly cause you to loose control of the vehicle and result in image to the vehicle and personal injury




1. Disconnect the cruise control cable from the following locations. Refer to Cruise Control Cable Replacement:
^ The throttle body cam
^ The throttle body bracket
^ The cruise control module
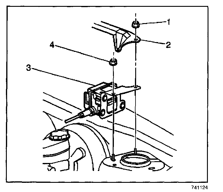
2. Disconnect the electrical connector from the cruise control module assembly (1).




3. Remove the cross car brace (2). Refer to Brace Replacement - Cross Vehicle in Body Front End.
4. Remove the nut (4) securing the cruise control mounting bracket to the left strut tower.
5. Remove the cruise control module assembly (3).




6. Remove the fasteners (3) retaining the cruise control module (1) to the mounting bracket (2).
7. Remove the cruise control module from the mounting bracket.

INSTALLATION PROCEDURE




1. Install the cruise control module (1) to the mounting bracket (2).

NOTE: Refer to Fastener Notice in Service Precautions.

2. Install the fasteners (3) to the cruise control module.

Tighten
Tighten the fasteners to 7.5 N.m (66 lb in).




3. install the cruise control module assembly (3) on the upper left strut tower.
4. Install the nut (4) to the stud.
5. Install the cross car brace (2). Refer to Brace Replacement - Cross Vehicle in Body Front End.




6. Connect the electrical connector to the cruise control module assembly (1).
7. Connect the cruise control cable to the following locations. Refer to Cruise Control Cable Replacement:
^ The throttle body cam
^ The throttle body bracket
^ The cruise control module