Operation CHARM: Car repair manuals for everyone.
Manuals through 2025 now available!

Our trusted friends have launched a new website named LEMON, which has newer manuals. It also contains all the CHARM manuals.

LEMON is the spiritual successor to CHARM, I recommend you try it!

Link: lemon-manuals.la or lemon-manuals.org.ua

(Some people have issue connecting. LEMON is investigating. For now, use Firefox or change your DNS server)

Or, hide this message: temporarily or permanently

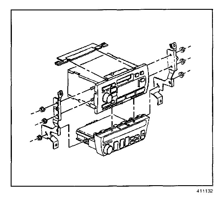
Control Assembly: Service and Repair

REMOVAL PROCEDURE




1. Remove the radio.
2. Remove the HVAC control module.
3. Remove the nuts from the bracket that connects the radio and HVAC control module.

INSTALLATION PROCEDURE




1. Install the HVAC control module to the radio brackets.

NOTE: Refer to Fastener Notice in Service Precautions.

2. Install the nuts.

Tighten
Tighten the nuts to 6 N.m (53 lb in).

3. Install the radio.
4. Install the HVAC control module.
5. Recalibrate the actuators. Refer to Re-Calibrating Actuators.