Operation CHARM: Car repair manuals for everyone.
Manuals through 2025 now available!

Our trusted friends have launched a new website named LEMON, which has newer manuals. It also contains all the CHARM manuals.

LEMON is the spiritual successor to CHARM, I recommend you try it!

Link: lemon-manuals.la or lemon-manuals.org.ua

(Some people have issue connecting. LEMON is investigating. For now, use Firefox or change your DNS server)

Or, hide this message: temporarily or permanently

Heater Core: Service and Repair

HEATER CORE REPLACEMENT

REMOVAL PROCEDURE




1. Partially drain the coolant. Refer to Draining and Filling Cooling System in Cooling System.
2. Remove the instrument panel compartment. Refer to Storage Compartment Replacement - IP in Instrument Panel, Gauges and Warning Indicators.
3. Remove the right sound insulator. Refer to Closeout/Insulator Panel Replacement - Right in Instrument Panel, Gauges and Warning Indicators.
4. Remove the HVAC Control Processor.
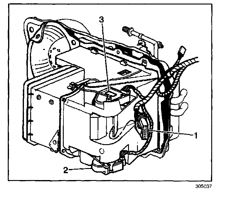
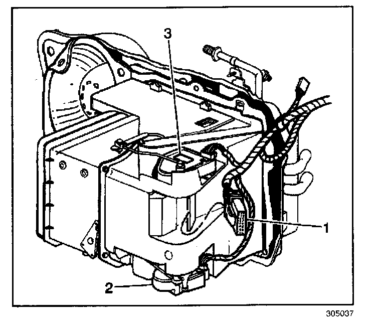
5. Disconnect the left air mix actuator (2).
6. Disconnect the right air mix actuator (3).
7. Remove the heater core cover.




8. Remove the inlet and outlet heater hoses from the heater core.




9. Remove the heater retaining screws.
10. Remove the heater core.

INSTALLATION PROCEDURE

NOTE: Refer to Fastener Notice in Service Precautions.




1. Install the heater core to the heater case with two screws.

Tighten
Tighten the screws to 2 N.m (18 lb in).




2. Install the inlet and outlet heater hoses to the heater core.




3. Install the heater core cover and screws.

Tighten
Tighten the screws to 2 N.m (18 lb in).

4. Connect the right air mix actuator (3).
5. Connect the left air mix actuator (2).
6. Install the heater and HVAC control processor.
7. Install the instrument panel compartment. Refer to Storage Compartment Replacement - IP in Instrument Panel, Gauges and Warning Indicators.
8. Install the right insulator panel. Refer to Closeout/Insulator Panel Replacement - Right in Instrument Panel, Gauges and Warning Indicators.
9. Refill the cooling system. Refer to Draining and Filling Cooling System in Cooling System.
10. Adjust the air temperature door links. Refer to Air Temperature Door Link Adjustment - Left and Air Temperature Door Link Adjustment - Right.