Operation CHARM: Car repair manuals for everyone.
Manuals through 2025 now available!

Our trusted friends have launched a new website named LEMON, which has newer manuals. It also contains all the CHARM manuals.

LEMON is the spiritual successor to CHARM, I recommend you try it!

Link: lemon-manuals.la or lemon-manuals.org.ua

(Some people have issue connecting. LEMON is investigating. For now, use Firefox or change your DNS server)

Or, hide this message: temporarily or permanently

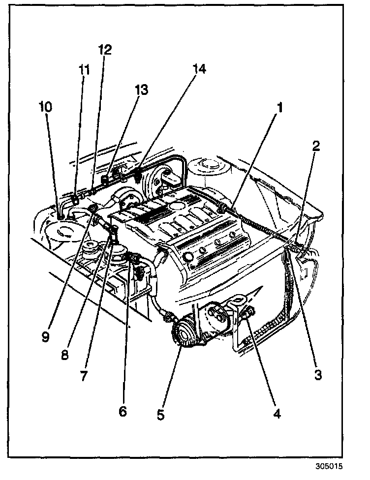
A/C High Pressure Switch Replacement

REMOVAL PROCEDURE




1. Remove the engine splash shield.
2. Remove the switch electrical connector.
3. Unscrew the switch (4) from the line.

INSTALLATION PROCEDURE




1. Install the switch (4) to the line.
2. Install the electrical connector to the switch (4).
3. Install the engine splash shield.