Operation CHARM: Car repair manuals for everyone.
Manuals through 2025 now available!

Our trusted friends have launched a new website named LEMON, which has newer manuals. It also contains all the CHARM manuals.

LEMON is the spiritual successor to CHARM, I recommend you try it!

Link: lemon-manuals.la or lemon-manuals.org.ua

(Some people have issue connecting. LEMON is investigating. For now, use Firefox or change your DNS server)

Or, hide this message: temporarily or permanently

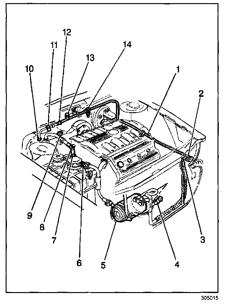
A/C Low Pressure Switch Replacement

REMOVAL PROCEDURE




1. Remove the switch electrical connector.
2. Unscrew the switch (11) from the accumulator line.

INSTALLATION PROCEDURE




1. Install the low-pressure switch (11) to the accumulator line.
2. Install the electrical connector to the switch (11).